• 方案介绍
  • 附件下载
  • 相关推荐
申请入驻 产业图谱

基于FPGA的自动售货机设计Verilog代码VIVADO仿真

08/04 08:41
484
加入交流群
扫码加入
获取工程师必备礼包
参与热点资讯讨论

2-24060G22536162.doc

共1个文件

名称:基于FPGA的自动售货机设计Verilog代码VIVADO仿真

软件:VIVADO

语言:Verilog

代码功能:

商品自动售货机可找零

1.用四个发光二极管分别模拟售出价值为 5 角、 1 元、 1.5 元和 2 元的小商品,购买者可以通过开关选择任意一种标价中的小商品。

2.灯亮时表示该小商品售出。

3.. 用开关分别模拟5 角、1 元硬币和5 元纸币投入, 可以用数码管 分别代表找回剩余的硬币。

4.每次只能售出一种小商品,当所投硬币达到或超过购买者所选面值时,售出货物并找回剩余的硬币,回到初始状态。

5.当所投硬币值不足面值时,可通过一个复位键退回所投硬币,回到初始状态。

FPGA代码Verilog/VHDL代码资源下载:www.hdlcode.com

 

演示视频:

设计文档:

1. 工程文件

设计功能:

1.用四个发光二极管分别模拟售出价值为 5 角、 1 元、 1.5 元和 2 元的小商品,购买者可以通过开关选择任意一种标价中的小商品。

2.灯亮时表示该小商品售出。

3.. 用开关分别模拟 ? ?5 角、1 元硬币和 ? ?5 元纸币投入, 可以用数码管 分别代表找回剩余的硬币。

4.每次只能售出一种小商品,当所投硬币达到或超过购买者所选面值时,售出货物并找回剩余的硬币,回到初始状态;

5.当所投硬币值不足面值时,可通过一个复位键退回所投硬币,回到初始状态。

2. 程序文件

3. 程序编译

4. RTL图

5. Testbench

6. 仿真图

整体仿真图

选择1.5元商品,依次付款0.5+0.5+1.0=2.0元,然后1.5元商品的出货指示灯亮。

选择2.0元商品,依次付款0.5+1.0=1.5元,然后按下退币键,退币1.5元。

按键上升沿检测仿真

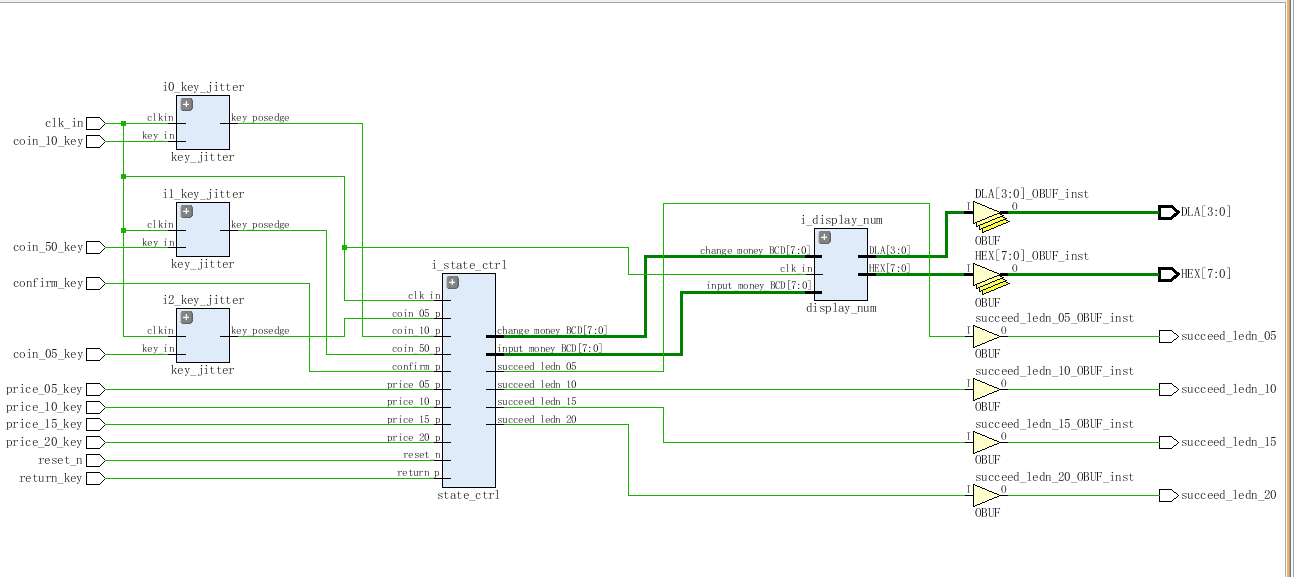
状态机控制模块

下图为,选择1.5元商品,依次付款0.5+0.5+1.0=2.0元,然后1.5元商品的出货指示灯亮。并找零0.5元。

下图为,选择2.0元商品,依次付款0.5+1.0=1.5元,然后按下退币键,退币1.5元。

显示模块

部分代码展示:

module?auto_sell(
input?clk_in,//时钟
input?reset_n,//复位
input?coin_10_key,//投币1.0元
input?coin_50_key,//投币5.0元
input?coin_05_key,//投币0.5元
input?price_20_key,//2.0元商品
input?price_15_key,//1.5元商品
input?price_10_key,//1.0元商品
input?price_05_key,//0.5元商品
input?confirm_key,//确认
input?return_key,//退币
output?succeed_ledn_05,//0.5元商品购买成功指示灯
output?succeed_ledn_10,//1.0元商品购买成功指示灯
output?succeed_ledn_15,//1.5元商品购买成功指示灯
output?succeed_ledn_20,//2.0元商品购买成功指示灯
output?[3:0]?DLA,//数码管位选,低电平选择
output?[7:0]?HEX//数码管段选,低亮
);
wire?[7:0]?input_money_BCD;//投币金额
wire?[7:0]?change_money_BCD;//找钱
wire?coin_10_p;//投币1.0元
wire?coin_50_p;//投币5.0元
wire?coin_05_p;//投币0.5元
//按键上升沿检测模块
key_jitter?i0_key_jitter(
.?clkin(clk_in),?????
.?key_in(coin_10_key),//输入
.?key_posedge(coin_10_p)//按键上升沿检测
);
//按键上升沿检测模块
key_jitter?i1_key_jitter(
.?clkin(clk_in),?????
.?key_in(coin_50_key),//输入
.?key_posedge(coin_50_p)//按键上升沿检测
);
//按键上升沿检测模块
key_jitter?i2_key_jitter(
.?clkin(clk_in),?????
.?key_in(coin_05_key),//输入
.?key_posedge(coin_05_p)//按键上升沿检测
);
//状态控制模块
state_ctrl?i_state_ctrl(
.?clk_in(clk_in),//时钟100Hz
.?reset_n(reset_n),//系统复位

点击链接获取代码文件:http://www.hdlcode.com/index.php?m=home&c=View&a=index&aid=837

  • 2-24060G22536162.doc
    下载

相关推荐