• 方案介绍
  • 附件下载
  • 相关推荐
申请入驻 产业图谱

自动售货机设计Verilog代码Quartus仿真

09/29 10:45
432
加入交流群
扫码加入
获取工程师必备礼包
参与热点资讯讨论

2-2411051Z143G5.doc

共1个文件

名称:自动售货机设计Verilog代码Quartus仿真

软件:Quartus

语言:Verilog

代码功能:

自动售货机

1、可以选果汁、牛奶、面包、水

2、可以投币1元、10元、5元

3、具有确认购买按键

4、购买成功通过对应led显示

5、数码管显示投入总钱币、商品价钱、找零金额

FPGA代码Verilog/VHDL代码资源下载:www.hdlcode.com

演示视频:

设计文档:

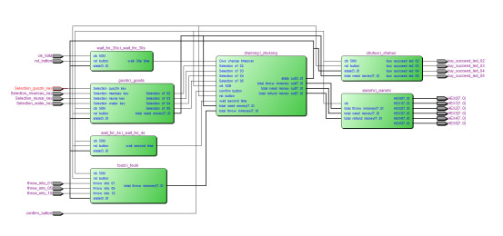
1. 工程文件

2. 程序运行

3. RTL图

4. 程序仿真

Testbench

仿真图

下图为选中牛奶(4元),投币1,5,10共16元,确认后找零12元,并有出货成功指示信号(buy_succeed_led_04)

下图为选中果汁(3元),投币1元后,超时(wait_30s_time高电平脉冲),自动退回1元,无出货成功信号

部分代码展示:

//主控模块
module?zhukong(
input?clk_50M,//50M
input?rst_button,//复位
//开关
input?Selection_of_03,//选3元商品
input?Selection_of_04,//选4元商品
input?Selection_of_05,//选5元商品
input?Selection_of_02,//选2元商品
//按键
input?confirm_button,//确认购买
input?Give_change_timeover,//不买退钱
output?[3:0]?state_out,
input?wait_second_time,
input?[7:0]?total_need_money,//选中商品价钱
input?[7:0]?total_throw_inmoney,//投入总钱币
output?[7:0]?total_throw_inmoney_out,//投入总钱币
output?[7:0]?total_need_money_out,//选中商品价钱
output?[7:0]?total_refund_money_out//找零金额
);
parameter?state_0=4'd0;
parameter?state_1=4'd1;//选择
parameter?state_2=4'd2;//
parameter?state_3=4'd3;//
parameter?state_4=4'd4;//找零时间4秒
parameter?state_5=4'd5;//找零20元
parameter?state_6=4'd6;//找零15元
parameter?state_7=4'd7;//找零10元
parameter?state_8=4'd8;//找零5元
parameter?state_9=4'd9;//结束

点击链接获取代码文件:http://www.hdlcode.com/index.php?m=home&c=View&a=index&aid=1322

  • 2-2411051Z143G5.doc
    下载

相关推荐