• 方案介绍
  • 附件下载
  • 相关推荐
申请入驻 产业图谱

基于FPGA的带闹钟功能的数字钟设计VHDL代码Quartus仿真

07/25 09:29
289
加入交流群
扫码加入
获取工程师必备礼包
参与热点资讯讨论

2-2405161F33SP.doc

共1个文件

名称:基于FPGA的带闹钟功能的数字钟设计VHDL代码Quartus仿真

软件:Quartus

语言:VHDL

代码功能:

数字钟

1、可以调节小时、分钟;

2、可以调整闹钟时间;

3、到设置的时间闹铃响;

4、整点报时。

FPGA代码Verilog/VHDL代码资源下载:www.hdlcode.com

演示视频:

设计文档:

控制方法:

2个拨码开关SW0和SW1控制模式:

SW0=0,SW1=0为正常计时模式;

SW0=0,SW1=1为修改时间模式;

SW0=1,SW1=0为显示闹钟时间模式;

SW0=1,SW1=1为修改闹钟时间模式;

2个按键,BT0修改小时,BT1修改分钟:

将拨码开关设置为SW0=0,SW1=1,此时可以修改当前时间;

将拨码开关设置为SW0=1,SW1=1,此时可以修改闹钟时间;

1. 工程文件

2. 程序文件

3. 程序编译

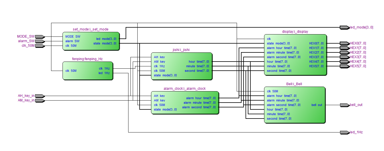
4. 程序RTL图

5. Vwf文件

6. 仿真图

部分代码展示:

LIBRARY?ieee;
???USE?ieee.std_logic_1164.all;
ENTITY?Digital_clock?IS
???PORT?(
??????clk_50M????:?IN?STD_LOGIC;
??????
??????alarm_SW???:?IN?STD_LOGIC;--SW0-闹钟时间设置键,0--显示正常计时;1--显示设置闹钟时间
??????MODE_SW????:?IN?STD_LOGIC;--SW1-MODE?模式设置按键--0:计时,1:设置时间
??????
??????AH_key_in??:?IN?STD_LOGIC;--AH?修改小时--按下低电平
??????AM_key_in??:?IN?STD_LOGIC;--AM?修改分钟--按下低电平
??????
??????led_1Hz????:?OUT?STD_LOGIC;--1S--led
??????bell_out???:?OUT?STD_LOGIC;--闹钟led
??????led_mode???:?OUT?STD_LOGIC_VECTOR(3?DOWNTO?0);--led显示当前模式
??????HEX0???????:?OUT?STD_LOGIC_VECTOR(7?DOWNTO?0);--数码管-低亮--秒钟个位
??????HEX1???????:?OUT?STD_LOGIC_VECTOR(7?DOWNTO?0);?--数码管-低亮--秒钟十位??????
??????HEX2???????:?OUT?STD_LOGIC_VECTOR(7?DOWNTO?0);--数码管-低亮--分钟个位
??????HEX3???????:?OUT?STD_LOGIC_VECTOR(7?DOWNTO?0);?--数码管-低亮--分钟十位
??????HEX4???????:?OUT?STD_LOGIC_VECTOR(7?DOWNTO?0);--数码管-低亮--小时个位
??????HEX5???????:?OUT?STD_LOGIC_VECTOR(7?DOWNTO?0)--数码管-低亮--小时十位
???);
END?Digital_clock;
ARCHITECTURE?trans?OF?Digital_clock?IS
???COMPONENT?Bell?IS
??????PORT?(
?????????clk_50M????:?IN?STD_LOGIC;
?????????alarm_hour_time?:?IN?STD_LOGIC_VECTOR(7?DOWNTO?0);
?????????alarm_minute_time?:?IN?STD_LOGIC_VECTOR(7?DOWNTO?0);
?????????alarm_second_time?:?IN?STD_LOGIC_VECTOR(7?DOWNTO?0);
?????????hour_time??:?IN?STD_LOGIC_VECTOR(7?DOWNTO?0);
?????????minute_time?:?IN?STD_LOGIC_VECTOR(7?DOWNTO?0);
?????????second_time?:?IN?STD_LOGIC_VECTOR(7?DOWNTO?0);
?????????bell_out???:?OUT?STD_LOGIC
??????);
???END?COMPONENT;
???
???COMPONENT?alarm_clock?IS
??????PORT?(
?????????clk_50M????:?IN?STD_LOGIC;
?????????state_mode?:?IN?STD_LOGIC_VECTOR(3?DOWNTO?0);
?????????AH_key?????:?IN?STD_LOGIC;
?????????AM_key?????:?IN?STD_LOGIC;
?????????alarm_hour_time?:?OUT?STD_LOGIC_VECTOR(7?DOWNTO?0);
?????????alarm_minute_time?:?OUT?STD_LOGIC_VECTOR(7?DOWNTO?0);
?????????alarm_second_time?:?OUT?STD_LOGIC_VECTOR(7?DOWNTO?0)
??????);
???END?COMPONENT;
???
???COMPONENT?display?IS
??????PORT?(
?????????clk????????:?IN?STD_LOGIC;
?????????state_mode?:?IN?STD_LOGIC_VECTOR(3?DOWNTO?0);
?????????alarm_hour_time?:?IN?STD_LOGIC_VECTOR(7?DOWNTO?0);
?????????alarm_minute_time?:?IN?STD_LOGIC_VECTOR(7?DOWNTO?0);
?????????alarm_second_time?:?IN?STD_LOGIC_VECTOR(7?DOWNTO?0);
?????????hour_time??:?IN?STD_LOGIC_VECTOR(7?DOWNTO?0);
?????????minute_time?:?IN?STD_LOGIC_VECTOR(7?DOWNTO?0);
?????????second_time?:?IN?STD_LOGIC_VECTOR(7?DOWNTO?0);
?????????HEX0???????:?OUT?STD_LOGIC_VECTOR(7?DOWNTO?0);
?????????HEX1???????:?OUT?STD_LOGIC_VECTOR(7?DOWNTO?0);
?????????HEX2???????:?OUT?STD_LOGIC_VECTOR(7?DOWNTO?0);
?????????HEX3???????:?OUT?STD_LOGIC_VECTOR(7?DOWNTO?0);
?????????HEX4???????:?OUT?STD_LOGIC_VECTOR(7?DOWNTO?0);
?????????HEX5???????:?OUT?STD_LOGIC_VECTOR(7?DOWNTO?0)
??????);
???END?COMPONENT;
???
???COMPONENT?set_mode?IS
??????PORT?(
?????????clk_50M????:?IN?STD_LOGIC;
?????????alarm_SW???:?IN?STD_LOGIC;
?????????MODE_SW????:?IN?STD_LOGIC;
?????????led_mode???:?OUT?STD_LOGIC_VECTOR(3?DOWNTO?0);
?????????state_mode?:?OUT?STD_LOGIC_VECTOR(3?DOWNTO?0)
??????);
???END?COMPONENT;
???
???COMPONENT?fenping?IS
??????PORT?(
?????????clk_50M????:?IN?STD_LOGIC;
?????????led_1Hz????:?OUT?STD_LOGIC;
?????????clk_1Hz????:?OUT?STD_LOGIC
??????);
???END?COMPONENT;
???
???COMPONENT?jishi?IS
??????PORT?(
?????????clk_50M????:?IN?STD_LOGIC;
?????????clk_1Hz????:?IN?STD_LOGIC;
?????????state_mode?:?IN?STD_LOGIC_VECTOR(3?DOWNTO?0);
?????????AH_key?????:?IN?STD_LOGIC;
?????????AM_key?????:?IN?STD_LOGIC;
?????????hour_time??:?OUT?STD_LOGIC_VECTOR(7?DOWNTO?0);
?????????minute_time?:?OUT?STD_LOGIC_VECTOR(7?DOWNTO?0);
?????????second_time?:?OUT?STD_LOGIC_VECTOR(7?DOWNTO?0)
??????);
???END?COMPONENT;

点击链接获取代码文件:http://www.hdlcode.com/index.php?m=home&c=View&a=index&aid=765

  • 2-2405161F33SP.doc
    下载

相关推荐