名称:MC74HC589A芯片的等效代码设计Verilog代码Quartus仿真
软件:Quartus
语言:Verilog
代码功能:
MC74HC589A芯片的等效代码设计
MC74HC589A是8位串行或并行输入/串行输出移位寄存器。根据MC74HC589A芯片手册描述的功能,使用verilog代码实现该芯片的功能。
FPGA代码Verilog/VHDL代码资源下载:www.hdlcode.com
演示视频:
设计文档:
1.MC74HC589A参考电路
2.工程文件
3.程序文件
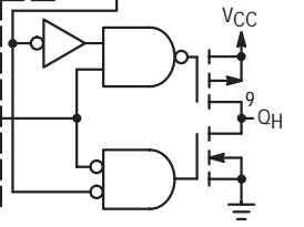
Enable对应电路
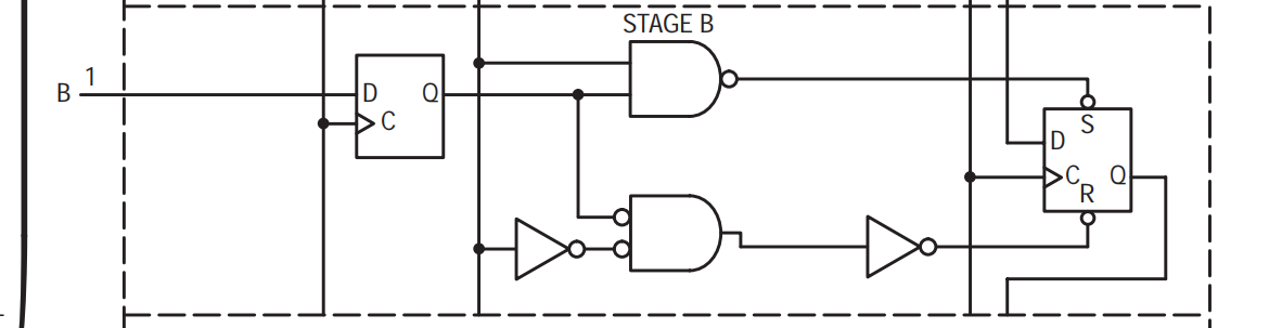
Stage模块对应电路模块
4.程序运行
5.RTL图
6.Testbench
7.仿真图
部分代码展示:
module?MC74HC589A( input?serial_data_input, input?A, input?B, input?C, input?D, input?E, input?F, input?G, input?H, input?latch_clock, input?shift_clock, input?serial_shift_parallel_load, input?enable, output?QH ); wire?reg_out_A; wire?reg_out_B; wire?reg_out_C; wire?reg_out_D; wire?reg_out_E; wire?reg_out_F; wire?reg_out_G; wire?reg_out_H; wire?QH_wire; //根据结构图,设计stage模块,进行调用 stage?stage_A( .latch_clock(latch_clock), .serial_shift_parallel_load_n(~serial_shift_parallel_load), .EX_in(A), .reg_in(serial_data_input), .shift_clock(shift_clock), .reg_out(reg_out_A) ); stage?stage_B( .latch_clock(latch_clock), .serial_shift_parallel_load_n(~serial_shift_parallel_load), .EX_in(B), .reg_in(reg_out_A), .shift_clock(shift_clock), .reg_out(reg_out_B) );
点击链接获取代码文件:http://www.hdlcode.com/index.php?m=home&c=View&a=index&aid=993
阅读全文
430