名称:N通道电机控制设计Verilog代码Quartus仿真
软件:Quartus
语言:Verilog
代码功能:N通道电机控制
FPGA代码Verilog/VHDL代码资源下载:www.hdlcode.com
演示视频:
设计文档:
1. 主要设计思路
主要设计思路:
PWM控制模块:输入0代表0.5ms,255代表2.5ms,0.5ms到2.5ms中间的2ms用8位控制信号控制,即256个分辨率指示,即2ms对应256,所以一个周期20ms对应2560。要在20ms(f=50Hz)内计数2560次,则计数时钟为128Khz(50*2560Hz),因此clk_enable=128KHz。然后根据占空比控制信号的值确定20ms周期内的高电平持续时间,即可控制pwm波形占空比。
分频模块:定义一个分频常数,当输入不同时钟时,只需要改变该常数即可。
2. 工程文件
3. 程序文件
顶层模块,N为通道数,可自由设置,程序默认设置为4通道。对应的log2_N就为2。
若N=8,log2_N就为3,以此类推。
分频模块
单通道PWM生成模块
4. 程序运行
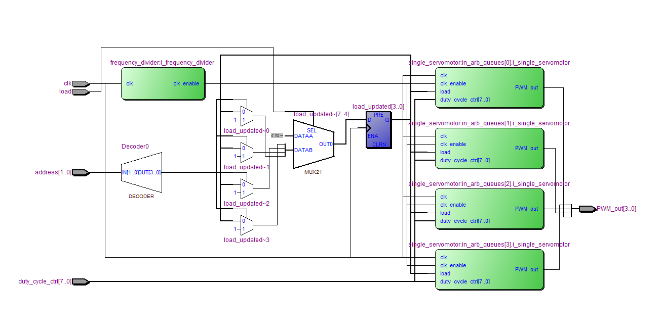
5. 程序RTL图
6. Testbench
7. 仿真图
仿真设置不同地址和占空比的情况,地址00~11切换,占空比0~200累加变化。整体可看出占空比越来越大了。
这是初始占空比duty_cycle_ctrl设置为0时,计数值0~63为高电平(一共2560计数),对应0.5ms高电平。
这是占空比duty_cycle_ctrl设置为20时,计数值0~83为高电平(一共2560计数),对应0.65625ms高电平。地址设置得是01,即对应第1路(PWM_out[1]),如下图所示。
这是占空比duty_cycle_ctrl设置为40时,计数值0~103为高电平(一共2560计数),对应0.8046875ms高电平。地址设置得是10,即对应第2路(PWM_out[2]),如下图所示。
这是占空比duty_cycle_ctrl设置为180时,计数值0~243为高电平(一共2560计数),对应1.8984375ms高电平。地址设置得是01,即对应第1路(PWM_out[1]),如下图所示。
部分代码展示:
module?N_Channel_ServoController #( parameter?CHANNELS=4,//N通道,当前N=4 parameter?log2_N=2//log2(N),N=CHANNELS ) ( input?clk, input?[7:0]?duty_cycle_ctrl,//8位占空比控制信号 input?load, input?[log2_N-1:0]address,//(log2(N)),N=CHANNELS output?[CHANNELS-1:0]PWM_out//输出PWM波形 ); //parameter?CHANNELS=4;//N通道,当前N=4 //parameter?log2_N=2;//log2(N),N=CHANNELS wire?clk_enable; reg?[CHANNELS-1:0]load_updated='d0; //地址决定当前更新哪个占空比参数 always@(posedge?clk) if(load) load_updated[address]<=1; else load_updated<='d0; //调用N个PWM控制模块 generate genvar?i;?//generate?CHANNELS?single_servomotors for(i=0;?i<CHANNELS;?i=i+1)? begin:?in_arb_queues?//CHANNELS?=?8 single_servomotor?i_single_servomotor( .?clk(clk), .?clk_enable(clk_enable),//128K使能信号 .?duty_cycle_ctrl(duty_cycle_ctrl), .?load(load_updated[i]), .?PWM_out(PWM_out[i]) ); end
点击链接获取代码文件:http://www.hdlcode.com/index.php?m=home&c=View&a=index&aid=998
506