名称:自适应量程等精度频率计设计Verilog代码Quartus仿真
软件:Quartus
语言:Verilog
代码功能:自适应量程等精度频率计
FPGA代码Verilog/VHDL代码资源下载:www.hdlcode.com
演示视频:
设计文档:
1.?工程文件
2.?程序文件
3.?程序编译
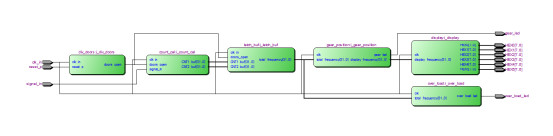
4.?程序RTL图(结构图)
5.?管脚分配
6.?Testbench
7.?仿真图
上图可看出测得频率为4545KHz,与testbench设置的待测信号频率一致,仿真正确
计数模块
显示模块
闸门信号产生模块
单位选择模块
锁存模块
超量程模块
部分代码展示:
//频率计算模块 module?frequency_calculate( input?clk_in,//输入50M基准时钟 input?reset_p,//复位信号 input?signal_in,//待测频率输入 input?doors_open, output?[31:0]total_frequency//输出频率 );
点击链接获取代码文件:http://www.hdlcode.com/index.php?m=home&c=View&a=index&aid=1192
阅读全文
288