• 方案介绍
  • 附件下载
  • 相关推荐
申请入驻 产业图谱

11位全加器设计Verilog代码Quartus仿真

09/22 10:52
590
加入交流群
扫码加入
获取工程师必备礼包
参与热点资讯讨论

2-24102QU94c39.doc

共1个文件

名称:11位全加器设计Verilog代码Quartus仿真

软件:Quartus

语言:Verilog

代码功能:

11位全加器设计

代码功能:

先设计1位全加器、2位全加器、8位全加器

然后将上述3个全加器串联,组成11位加法器

FPGA代码Verilog/VHDL代码资源下载:www.hdlcode.com

演示视频:

设计文档:

11位全加器仿真

1.工程文件

2.程序文件

3.程序编译

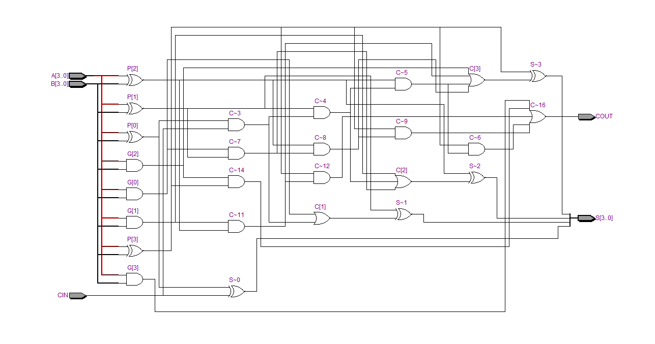
4.程序结构(RTL图)

5.程序仿真

Testbench

十进制表示

11位加法器,最大值为2的11次方=2048,和大于2048时需要向前进位

25+8+进位=34

1620+1021=2641,大于2048,需要向前进位(cout=1),2641-2048=593

646+78+进位=725

部分代码展示:

//4位加法器
module?adder_4bit(A,?B,?CIN,?COUT,?S);
???input?[3:0]??A;//输入A
???input?[3:0]??B;//输入B
???input????????CIN;//输入进位
???output???????COUT;//输出进位
???output?[3:0]?S;//输出和
???
???
???wire?[3:0]???G;
???wire?[3:0]???P;
???wire?[4:0]???C;
???
???//根据并行四位加法器结构编写代码
???assign?G?=?A?&?B;//与
???assign?P?=?A?^?B;//异或
???
???assign?C[0]?=?CIN;
???
???assign?C[1]?=?(CIN?&?P[0])?|?G[0];
???
???assign?C[2]?=?(CIN?&?P[0]?&?P[1])?|?(G[0]?&?P[1])?|?G[1];
???
???assign?C[3]?=?(CIN?&?P[0]?&?P[1]?&?P[2])?|?(G[0]?&?P[1]?&?P[2])?|?(G[1]?&?P[2])?|?G[2];
???
???assign?C[4]?=?(CIN?&?P[0]?&?P[1]?&?P[2]?&?P[3])?|?(G[0]?&?P[1]?&?P[2]?&?P[3])?|?(G[1]?&?P[2]?&?P[3])?|?(G[2]?&?P[3])?|?G[3];
???
???assign?COUT?=?C[4];
???
???assign?S?=?C?^?P;//异或
???
endmodule

点击链接获取代码文件:http://www.hdlcode.com/index.php?m=home&c=View&a=index&aid=1268

  • 2-24102QU94c39.doc
    下载

相关推荐