本文研究具有背靠背MOSFET的理想二极管以及其他更先进的器件。文中还介绍了一种集成多种功能以提供整体系统保护的理想二极管解决方案。二极管是非常有用的器件,对许多应用都很重要。标准硅二极管的压降为0.6 V至0.7 V。肖特基二极管的压降为0.3 V。一般来说,压降不是问题,但在高电流应用中,各个压降会产生显著的功率损耗。理想二极管是此类应用的理想器件。幸运的是,MOSFET可以取代标准硅二极管,并提供意想不到的应用优势。
理想二极管使用低导通电阻功率开关(通常为MOSFET)来模拟二极管的单向电流行为,但没有二极管的压降损失。借助额外的背靠背MOSFET和控制电路,该解决方案可以提供更多的系统控制功能,例如优先源选择、限流、浪涌限制等。在传统解决方案中,这些功能分散在不同的控制器中,因此实现完整的系统保护会很复杂且麻烦。这里我们将研究理想二极管的主要电路规格,并介绍一个应用示例和新的理想二极管解决方案,该解决方案还在单个IC中集成了实现整体系统保护所需的其他功能。
理想二极管基础知识
图1显示了采用N沟道功率MOSFET的基本理想二极管。将MOSFET放置在适当的方向,使其本征体二极管与要模拟的二极管功能方向相同(上方)。当VA高于VC时,电流可以自然地从左向右流过本征二极管。当电流沿该方向流动时,控制电路使MOSFET导通,以减小正向压降。当VC高于VA时,为了防止电流反向(从右到左)流动,控制电路必须将MOSFET快速关断。理想二极管的压降很低,由MOSFET的RDS(ON)和电流大小决定。例如,在1 A负载下,10 mΩ MOSFET的端子会产生1 A × 10 mΩ = 10 mV的压降,而常规二极管的典型压降为600 mV。理想二极管的功耗为1 A2?× 10 mΩ = 10 mW,明显低于常规二极管的1 A × 600 mV = 600 mW(典型值)。
图1.二极管和理想二极管
得益于MOSFET技术的进步,现在出现了低RDS(ON)的MOSFET。如果在理想二极管解决方案中添加背靠背MOSFET,虽然会使压降略微增加,但也会带来许多系统控制功能。图2显示了此电路概念。
图2.具有背靠背MOSFET的理想二极管
原有的Q1可以控制和阻断从VB流向VA的反向电流。添加的MOSFET Q2可以控制和阻断从VA流向VB的正向电流。
此解决方案通过导通/关断一个或两个MOSFET,或者限制任一方向的电流流过,可实现全面的系统控制。
理想二极管应用实例及主要规格
理想二极管有许多应用。以工业UPS备用电源系统(图3)为例。该系统使用24 V主电源。此电源的工作范围为19.2 VDC至30 VDC,瞬态电压可高达60 V。将24 V电池用作备用电源。为确保备用电源充分可用,在正常运行期间(当电池处于待机状态时),电池充满至24 V。当主电源中断时,电池提供备用电源,从24 V放电至19.2 V以下,直至系统不再运行,或者直至主电源恢复,以较早出现的情形为准。这里需要一个理想二极管电路来提供ORing功能,用于在系统电源和备用电池之间切换。除了ORing功能,该系统还需要过压、欠压、热插拔和eFuse保护,以防范常见的系统故障,增强系统鲁棒性。

图3.工业UPS备用电源系统
ORing与源选择器
图4展示了电源ORing概念。为简单起见,这里使用二极管符号代替理想二极管电路。在这种简单的ORing配置中,电压较高的电源占主导地位并为负载供电,另一个电源处于待机状态。如果两个电源具有不同的电压值,该解决方案会很有效。当两个电压彼此接近时,或者当存在电压波动而导致电压值交叉时,电源可能会来回切换。

图4.输入电源ORing
在这个用例中,简单的ORing功能是不够的,原因有二。首先,电池电压与系统标称电压24 V差不多。两个电源可能会来回切换,这是我们不希望看到的。源阻抗和负载电流的影响进一步放大了这个问题。例如,当VS为负载供电时,负载电流会在VS源阻抗两端产生压降,使其端电压降至略低于电池端电压(当前空载)的水平。电池随即接通,现在承载负载电流,这同样会在电池阻抗两端产生压降,导致电池端电压下降。同时,在无负载情况下,主电源端电压升高,使得VS试图接管。在这种情况下,就会在两个电源之间持续振荡直到两个电压彼此偏离为止。
其次,24 V系统电源的电压范围为19.2 VDC(最小值)至30 VDC(最大值),峰值电压瞬态可高达60 V。备用电池电压充电至24 VDC,当主电源电压下降到电池电压以下但仍在其工作范围内时,将由电池供电。这也是我们不希望看到的,因为电池会放电至非理想备用电压。每当系统电压低于24 V且高于其最小工作范围时,系统便可能会尝试同时对电池进行充电和放电。源选择器在这种情况下很有用。图5显示了使用具有背靠背MOSFET的理想二极管的源选择器概念。通过背靠背MOSFET,控制器可以完全切断两个方向的电流路径,就像机械开关断开一样。图6是具有背靠背MOSFET的理想二极管的符号表示。此符号在图5中表示可实现源选择器功能。在此配置中,VS设置为高优先级。VB关断,只有在VS低于其工作电压范围时才导通。

图5.输入源选择器

图6.具有背靠背MOSFET的理想二极管的符号表示
图7显示了电池处于待机状态和备用期间的电源选择器操作。

图7.输入源选择器操作
其他重要系统保护要求
虽然图6所示是一个闭合或断开的机械开关,但请注意,借助适当的电流检测电路,控制器也可以调节电流。浪涌限制(热插拔)、过载/短路保护(eFuse)和欠压/过压(UV/OV)等重要功能,均可利用已有的相同功率MOSFET来实现。
热插拔
如图3所示,当电路板插入背板(主系统电源和备用电池所在的板)时,系统板需要热插拔功能来限制给输入电容C充电时的浪涌电流。这种热插拔功能通过检测和控制流过图2中Q2的电流来实现。
eFuse
此功能可保护系统免受过流或短路情况的影响。使用图2中相同的Q2,可监测、限制和关断流经Q2的电流。eFuse应用中的限流阈值精度对于优化系统功耗预算非常重要。
UV/OV
控制器持续监测电源电压。欠压保护(UVLO)使Q2(图2)保持安全关断状态,直至电源电压上升到其最低工作电平(本例中为19.2 V)以上。当输入瞬态电压超过设定的最大电平(本例中选择电压值>30 V)时,过压保护(OV)功能就会将Q2关断。
重要的理想二极管电路规格及其对系统性能的影响
我们回到理想二极管,研究其用于ORing或源选择器功能时的一些关键规格。
反向电流响应时间
参考图2,这是Q1在电压VA和VB反转并使VB大于VA之后关断的时间。此反向电流响应时间tR必须很小(100 ns),以防反向电流从VB流回VA。在该系统中,当主导电源VS(在驱动负载时)关断、瞬变至较低电压或短路时,电压可能反向。在这种情况下,tR防止反向电流从板电容C或从备用电池流回VS,或者尽可能减小反向电流。
过压情况后的恢复
在没有备用电池的系统中(图8),电容C提供备用电源,通常称其为保持电容。在这种配置中,VS上的瞬态过压条件会触发Q2(图8)关断。电容提供必要的电力以保持系统运行,同时其电压因放电而下降。当VS回到正常工作范围时,Q2重新导通。Q2重新导通的时间tON必须很短,使电容压降尽可能低。图9显示了一个相对比较结果,在保持电容量相同的情况下,一半tON可将压降降低一半。

图8.具有保持电容的系统图

图9.压降与tON的关系
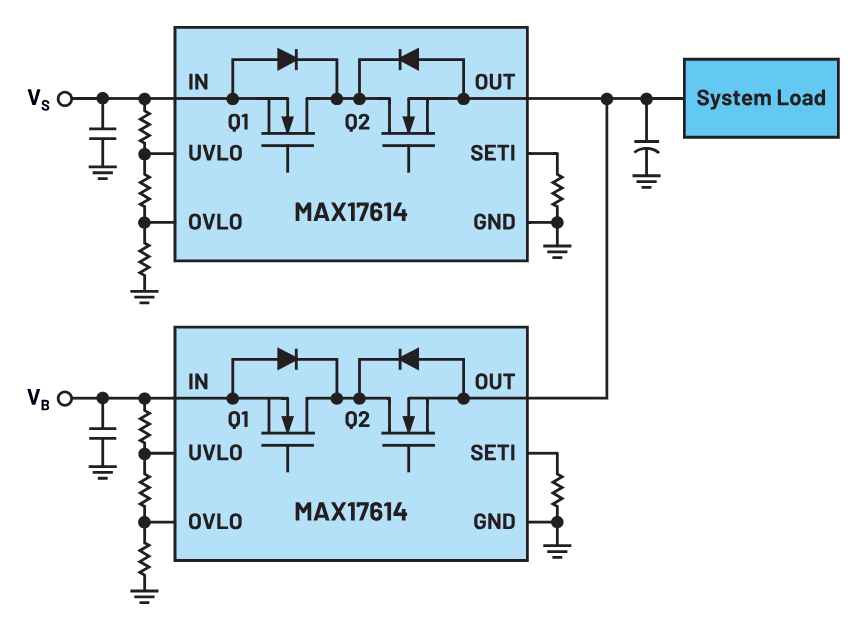
我们研究了不同功能,如源选择器、热插拔、eFuse、UV/OV和关键规格,目的是防范常见的系统故障,增强系统鲁棒性。使用许多单一功能IC来实现所有这些功能会很麻烦。这种解决方案很复杂,需要许多元器件。MAX17614是一款全新的高集成度解决方案,通过单个IC即可实现高性能理想二极管功能以及许多其他功能,从而为电源系统提供全面保护。该器件的工作电压范围为4.5 V至60 V,提供3 A输出,具有理想二极管/优先电源选择器功能,以及可调限流、热插拔、eFuse、UV和OV保护功能。图10和图11分别显示了MAX17614在ORing应用和优先电源选择器应用中的简化原理图。

图10.MAX17614的电压ORing应用

图11.MAX17614的优先电源选择器应用,其中VS具有优先权
结语
背靠背MOSFET解决方案可提供更多系统控制功能,如源选择、热插拔、eFuse、UV/OV等。使用单一功能IC的组合来提供完整系统保护的传统解决方案既复杂又麻烦。我们研究了UPS备用电源应用,并简要介绍了一种理想二极管解决方案,该解决方案还将其他需要的功能集成到单个IC中,以实现整体系统保护。
200