名称:基于FPGA的数字密码锁电路Verilog代码Quartus仿真
软件:Quartus
语言:Verilog
代码功能:
数字密码锁电路的设计
1.设计任务:
设计并制作数字密码锁电路
2.设计要求:
1.用EDA实训仪的I/设备和PLD志片实现故字密码锁电路的设计;
2.数字码锁具有8只输入数字,用EDA实仪上的电平开关作为8位数字输入的组合;
3.当输入的数字符合电路中设定的数字时(和密码对)在EDA实训仪上用一只八段数码管显示0表示输入整砂正确,如果输入的密码是错误的,则显示F;
4.数字码锁又能允许接收三次错误的密码数字输入,超过三次的错误密码数字后电路不再接牧密码数字入,并用喇叭发出报警音响。
FPGA代码Verilog/VHDL代码资源下载:www.hdlcode.com
演示视频:
设计文档:
1. 工程文件
2. 程序文件
3. 程序编译
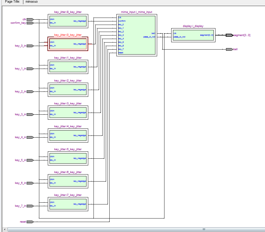
4. RTL图
5. 管脚分配
6. Vwf文件
7. 仿真图
部分代码展示:
module?mimasuo( input?clk,//时钟 input?reset,//复位,按下低电平 input?key_0_in,//数字按键0~7 input?key_1_in,//数字按键0~7 input?key_2_in,//数字按键0~7 input?key_3_in,//数字按键0~7 input?key_4_in,//数字按键0~7 input?key_5_in,//数字按键0~7 input?key_6_in,//数字按键0~7 input?key_7_in,//数字按键0~7 input?confirm_key,//确认按键,代表密码输入完成,按下低电平 output?bell,//报警 //结果在数码管中显示 output?[3:0]?segment//数码管 ); wire?key_0; wire?key_1; wire?key_2; wire?key_3; wire?key_4; wire?key_5; wire?key_6; wire?key_7; wire?confirm; wire?pass_or_not;//1表示正确,0表示错误 //输入按键消抖 key_jitter?i0_key_jitter( .?clkin(clk),????? .?key_in(key_0_in),//输入 .?key_negedge(key_0)//消抖后按键 ); key_jitter?i1_key_jitter( .?clkin(clk),????? .?key_in(key_1_in),//输入 .?key_negedge(key_1)//消抖后按键 ); key_jitter?i2_key_jitter( .?clkin(clk),????? .?key_in(key_2_in),//输入 .?key_negedge(key_2)//消抖后按键 ); key_jitter?i3_key_jitter( .?clkin(clk),????? .?key_in(key_3_in),//输入 .?key_negedge(key_3)//消抖后按键 ); key_jitter?i4_key_jitter( .?clkin(clk),????? .?key_in(key_4_in),//输入 .?key_negedge(key_4)//消抖后按键 ); key_jitter?i5_key_jitter( .?clkin(clk),????? .?key_in(key_5_in),//输入 .?key_negedge(key_5)//消抖后按键 ); key_jitter?i6_key_jitter( .?clkin(clk),????? .?key_in(key_6_in),//输入 .?key_negedge(key_6)//消抖后按键 );
点击链接获取代码文件:http://www.hdlcode.com/index.php?m=home&c=View&a=index&aid=698
阅读全文
488