• 方案介绍
  • 附件下载
  • 相关推荐
申请入驻 产业图谱

多功能交通灯控制系统设计VHDL代码Quartus DE2-115开发板

09/21 11:15
519
加入交流群
扫码加入
获取工程师必备礼包
参与热点资讯讨论

2-24101GT614292.doc

共1个文件

名称:多功能交通灯控制系统设计VHDL代码Quartus? DE2-115开发板

软件:Quartus

语言:VHDL

代码功能:

多功能交通灯控制系统

要求设计一个多功能交通灯控制系统。并进行软件仿真与硬件实现。

要求做到:

(1)主干道绿灯亮时,支干道红灯亮,反之亦然,两者交替允许通行,主干道每次放行60s,支干道每次放行45s.每次由绿灯变为红灯的过程中,黄灯亮3S作为过渡;

(2)能实现正常的倒计时显示功能;

(3)能实现总体清零功能:计数器由初始状态开始计数,对应状态的指示灯亮;

(4)能实现特殊状态的功能显示:进入特殊状态时,东西、南北路口均显示红灯状态;

(5)在任何一个时刻,有一盏灯亮而且只有一盏灯亮。否则发出故障信号,提醒相关人员去维修。

要求学生有一定的模拟及数字电子技术知识,对VHDL语言比较熟悉,有一定的动手能力。

FPGA代码Verilog/VHDL代码资源下载:www.hdlcode.com

本代码已在DE2-115开发板验证,DE2-115开发板如下,其他开发板可以修改管脚适配:

DE2-115开发板.png

演示视频:

设计文档:

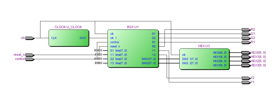
1.?工程文件

2.?程序文件

3.?管脚分配

4.?程序编译

5.?RTL图

6.?仿真图

整体仿真图

分频模块仿真图

交通灯控制模块

显示模块

部分代码展示:

LIBRARY?ieee;
???USE?ieee.std_logic_1164.all;
--交通灯
ENTITY?Traffic_Light_Control?IS
???PORT?(
??????clk?????:?IN?STD_LOGIC;--50Mhz
reset_n?:?IN?STD_LOGIC;--复位
control?:?IN?STD_LOGIC;--特殊功能
??????R1??????:?OUT?STD_LOGIC;--高电平亮,主路红灯
??????G1??????:?OUT?STD_LOGIC;--高电平亮,主路绿灯
??????Y1??????:?OUT?STD_LOGIC;--高电平亮,主路黄灯
??????R2??????:?OUT?STD_LOGIC;--高电平亮,支路红灯
??????G2??????:?OUT?STD_LOGIC;--高电平亮,支路绿灯
??????Y2??????:?OUT?STD_LOGIC;--高电平亮,支路黄灯
??????HEX0????:?OUT?STD_LOGIC_VECTOR(6?DOWNTO?0);--数码管0
??????HEX1????:?OUT?STD_LOGIC_VECTOR(6?DOWNTO?0);--数码管1
??????HEX2????:?OUT?STD_LOGIC_VECTOR(6?DOWNTO?0);--数码管2
??????HEX3????:?OUT?STD_LOGIC_VECTOR(6?DOWNTO?0)--数码管3
???);
END?Traffic_Light_Control;
ARCHITECTURE?behave?OF?Traffic_Light_Control?IS
--分频模块
COMPONENT?CLOCK?IS--?Divide?50MHz?to?1Hz
GENERIC(D?:?INTEGER?:=?50);--仿真时改小为50加快仿真速度,实际上板验证时改为50000000
???PORT(CLK:?IN?STD_LOGIC;
?????????DAV:?OUT?STD_LOGIC);
???END?COMPONENT;
--显示模块
???COMPONENT?HEX?IS
??????PORT?(
?????????clk?????:?IN?STD_LOGIC;
?????????SMG_1???:?IN?STD_LOGIC_VECTOR(7?DOWNTO?0);
?????????SMG_2???:?IN?STD_LOGIC_VECTOR(7?DOWNTO?0);
?????????HEX0????:?OUT?STD_LOGIC_VECTOR(6?DOWNTO?0);
?????????HEX1????:?OUT?STD_LOGIC_VECTOR(6?DOWNTO?0);
?????????HEX2????:?OUT?STD_LOGIC_VECTOR(6?DOWNTO?0);
?????????HEX3????:?OUT?STD_LOGIC_VECTOR(6?DOWNTO?0)
??????);
???END?COMPONENT;
???
--交通灯控制模块
???COMPONENT?RGY?IS
??????PORT?(
?????????clk_1???:?IN?STD_LOGIC;
clk???:?IN?STD_LOGIC;
reset_n?:?IN?STD_LOGIC;--复位
control?:?IN?STD_LOGIC;----特殊功能
?????????G1_time?:?IN?STD_LOGIC_VECTOR(7?DOWNTO?0);
?????????Y1_time?:?IN?STD_LOGIC_VECTOR(7?DOWNTO?0);
?????????G2_time?:?IN?STD_LOGIC_VECTOR(7?DOWNTO?0);
?????????Y2_time?:?IN?STD_LOGIC_VECTOR(7?DOWNTO?0);
?????????R1??????:?OUT?STD_LOGIC;
?????????G1??????:?OUT?STD_LOGIC;
?????????Y1??????:?OUT?STD_LOGIC;
?????????R2??????:?OUT?STD_LOGIC;
?????????G2??????:?OUT?STD_LOGIC;
?????????Y2??????:?OUT?STD_LOGIC;
??????SMG1?????:?OUT?STD_LOGIC_VECTOR(7?DOWNTO?0);--输出数码管显示数
??????SMG2?????:?OUT?STD_LOGIC_VECTOR(7?DOWNTO?0)--输出数码管显示数
??????);
???END?COMPONENT;
???
???
???SIGNAL?clk_1??????:?STD_LOGIC;
???SIGNAL?SMG1???????:?STD_LOGIC_VECTOR(7?DOWNTO?0);
???SIGNAL?SMG2???????:?STD_LOGIC_VECTOR(7?DOWNTO?0);
???
???SIGNAL?R1_led?????:?STD_LOGIC;
???SIGNAL?G1_led?????:?STD_LOGIC;
???SIGNAL?Y1_led?????:?STD_LOGIC;
???
???SIGNAL?R2_led?????:?STD_LOGIC;
???SIGNAL?G2_led?????:?STD_LOGIC;
???SIGNAL?Y2_led?????:?STD_LOGIC;
???
???SIGNAL?G1_time????:?STD_LOGIC_VECTOR(7?DOWNTO?0);
???SIGNAL?Y1_time????:?STD_LOGIC_VECTOR(7?DOWNTO?0);
???SIGNAL?G2_time????:?STD_LOGIC_VECTOR(7?DOWNTO?0);
???SIGNAL?Y2_time????:?STD_LOGIC_VECTOR(7?DOWNTO?0);
???
???SIGNAL?HEX0_SIG?:?STD_LOGIC_VECTOR(6?DOWNTO?0);
???SIGNAL?HEX1_SIG?:?STD_LOGIC_VECTOR(6?DOWNTO?0);
???SIGNAL?HEX2_SIG?:?STD_LOGIC_VECTOR(6?DOWNTO?0);
???SIGNAL?HEX3_SIG?:?STD_LOGIC_VECTOR(6?DOWNTO?0);
BEGIN

点击链接获取代码文件:http://www.hdlcode.com/index.php?m=home&c=View&a=index&aid=1220

  • 2-24101GT614292.doc
    下载

相关推荐