作者:Antoniu Miclaus,系统应用工程师
目标
本实验活动的目标是研究振荡器的特性。振荡器可产生脉冲输出(短周期脉冲)并由输入方波控制。
背景知识
正弦波振荡器会以预设的频率无限期地产生输出波形;也就是说,它会持续不断地运行。雷达等设备中的许多电子电路要求振荡器在特定时间内开启,并在之后的时间保持关闭状态,直到需要时再开启。此类电路被称为脉冲振荡器或振铃振荡器。它们其实是在特定时间开启和关闭的正弦波振荡器。图1显示了脉冲振荡器的电路图,谐振电路位于发射极电路中。VGATE上的正输入会使Q1深度导通,电流流经L1。因此,振荡无法发生。负向输入脉冲(简称“门控”)会切断Q1,谐振电路发生振荡或振铃,直到门控输入结束或振铃消失或停止(以先发生者为准)。

图1.脉冲振荡器
要了解此电路的工作原理,假设LC谐振电路的Q值足够高,能够防止阻尼。当输入门控脉冲呈负跳变时(T0到T1和T2到T3期间),电路会产生输出。其余时间(T1到T2)晶体管深度导通,电路无输出。输入门控脉冲的宽度用于控制输出信号的持续时间。门控脉冲越宽,输出振荡或振铃的时间越长。
LC谐振电路的谐振频率由公式1得出:
![]()
脉冲振荡器有多种类型,适用于不同的应用场景。图1所示为发射极负载式脉冲振荡器的原理图。谐振电路也可以放在集电极中,这种情况称为集电极负载式脉冲振荡器。发射极负载式振荡器和集电极负载式振荡器的区别在于输出信号。发射极负载式NPN脉冲振荡器的第一个周期是负周期。集电极负载式脉冲振荡器的第一个周期是正周期。如果使用PNP,则发射极负载式振荡器和集电极负载式振荡器的第一个周期均会反向。
您可能已经注意到,我们的讨论中没有提到反馈。请记住,正反馈是振荡器维持振荡的必要条件。针对脉冲振荡器,它仅在极短时间内产生振荡。但请注意,当增加输入门控脉冲(用于关断晶体管)的宽度时,由于缺乏反馈,正弦波的幅度在门控周期快要结束时会开始减小(阻尼)。如果某个特定应用需要较长的振荡周期,则振荡器电路需要使用反馈。在这种情况下,工作原理保持不变,只是反馈网络会让振荡周期维持所需的时间。
材料
说明
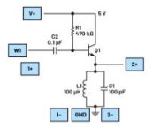
在无焊试验板上构建图2所示的脉冲振荡器电路。方块表示连接ADALM2000模块AWG、示波器通道和电源的位置。确保在反复检查接线之后,再打开电源。

图2.脉冲振荡器电路
硬件设置
将AWG1设置为方波,峰峰值幅度为1.4 V,偏移为零。将频率设置为50 kHz,占空比设置为50%(方波在周期的50%时间内为高电平)。将两个示波器输入均设置为500 mV/div,并将时基设置为2 ?s/div。将触发信号设置为通道1的下降沿。试验板连接参见图3。

图3.脉冲振荡器电路试验板连接
程序步骤
打开+5 V电源,并启动AWG。观察输出波形。它应该由若干周期的正弦波脉冲组成,从AWG 1方波的下降沿开始,到上升沿结束。参见图4。

图4.脉冲振荡器电路Scopy截图
请注意,输出正弦波以地(0 V)为中心,在正负方向上摆动。测量输出正弦波的频率。测量输出正弦波脉冲的第一个和最后一个周期的峰峰值幅度。从脉冲开始到结束,幅度下降了多少?
问题
1. 什么是脉冲振荡器?
2. 脉冲振荡器有哪些常见用途?
您可以在学子专区论坛上找到问题答案。
497