动态导通电阻(RDS(on))是电源转换器设计人员理解电荷俘获效应影响的重要参数。然而,关于其测量技术的知识体系仍相对较新。传统的动态RDS(on)测量技术依赖于二极管钳位电路,使示波器能够以足够的分辨率测量漏源电压,而不会使示波器输入过载。泰克为4、5和6系列MSO示波器推出的宽禁带双脉冲测试(WBG-DPT)测量软件引入了一种新的软件钳位方法,采用独特的双探头技术,无需使用钳位电路。
测量动态RDS(on)的挑战
动态RDS(on)是指FET在开关过程中导通时,漏极与源极端子之间的平均电阻。漏源电阻RDS(on)是所有FET的重要参数,因为它是传导损耗和效率的一个关键因素。RDS(on)通过漏源电压(VDS)与漏极电流(ID)的比值计算,并可表示为时间的函数:

RDS(on)可以表示为开关周期导通部分该函数的平均值。动态RDS(on)由复杂半导体结构中的电荷俘获现象引起。研究GaN半导体的研究人员对动态RDS(on)特别感兴趣。GaN可能会出现电流崩塌现象,其中动态RDS(on)会增加。当器件在关断状态、漏源之间存在高电压时,电子被俘获在器件结构中,就可能发生这种情况。而对于SiC器件来说这个问题要小一些,但设计人员也可能对测量动态RDS(on)感兴趣。
要测量RDS(on),必须能够准确测量VDS(t)。测量RDS(on)的主要挑战源于需要在高幅值开关信号中测量小的导通电压。开关电压VDS(t)的幅值根据应用不同可达800V或更高。然而在导通状态下,如图2所示,VDS(t)会很低,约为10V或更小。此外,GaN和SiCFET可以以极高的转换速率开/关。这些因素带来了重大测量挑战:
- 在完整范围内捕获VDS信号会导致VDS(on)的数字分辨率差。ADC量化误差占信号的很大比例,导致大量量化噪声。
- 简单地增加示波器的垂直灵敏度会导致测量系统输入放大器过载,除非进行校正,否则会在过载恢复期间产生测量误差。
- 高摆率会因寄生电感和电容引入畸变,这些需要时间才能稳定。
由于开关电压VDS可能很高且可能相对于地浮动,通常使用高压差分探头测量开关电压。差分探头有助于避免接地问题,从而提高RDS(on)测量的准确性。功率电子实验室中通常都会备有THDP系列差分探头。因此,THDP系列探头已针对此方法进行了测试并推荐使用。
如前所述,如果使用低灵敏度(高V/div)捕获整个VDS范围,关断状态下的电压仅代表示波器模数转换器(ADC)和探头放大器量程的一小部分,因此采集分辨率低。一种可能的方法是使用高灵敏度(低V/div)采集低导通电压,以充分利用差分探头和示波器量程。然而,使用高灵敏度采集高幅值信号会使差分探头中的放大器过载,导致在短暂的过载恢复期间产生不准确数据。

图1. RDS(on)波形表征FET导通状态下,漏源电压(VDS)与漏极电流(ID)的动态比值关系。

图2. 高幅值的VDS与微小的导通态电压使得RDS(on)的测量极具挑战性。这一新方法通过校正实现了高灵敏度测量。
WBT-DPT测量自动化软件中的新软件钳位技术使设计人员能够使用手头已有的设备快速测量动态RDS(on)。
基于示波器的新钳位方法
Tektronix的软件钳位方法消除了对专用钳位电路的需求。它依靠带有两个高压差分探头的示波器连接到FET上测量漏源电压(VDS)。如图3所示,使用两个差分探头测量VDS电压,每个探头设置为不同的灵敏度。

图3. 采用双高压差分探头测量VDS信号:一路探头设置为高量程(如1500V)及高垂直刻度(如100V/格),另一路设置为低量程(如150V)及精细垂直刻度(如10V/格)。
- 一个差分探头捕获FET关断时VDS从高到低的完整转换。
- 另一个差分探头仅以高灵敏度捕获RDS(on)区域,在FET导通且VDS较小时提供高分辨率。这相当于有意削剪VDS上的信号。注意这种方法类似于使用二极管钳位电路削剪信号,但需要应用校正以获得良好结果。

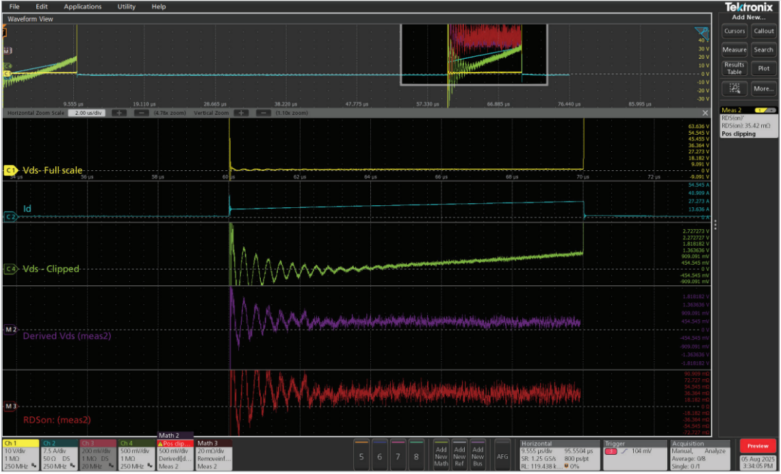
图4. 采用THDP0200高压差分探头组对漏源电压(VDS)进行同步采集:其中一路探头以标准垂直刻度获取完整VDS波形数据,另一路探头通过更高灵敏度的垂直刻度设置获取VDS细节数据,该通道将触发波形削波告警提示。
WBG-DPT软件将全量程和高灵敏度(但过载)VDS波形组合,推导出导通状态下漏源电压的高分辨率复合波形。通常不建议过载差分探头或示波器前端,因为在放大器从超出其正常规格的驱动中恢复时,测量质量可能存疑。这被称为"过载恢复时间",是放大器的常见规格。WBG-DPT应用中的动态RDS(on)算法应用多种技术来减轻以下影响:
- 低灵敏度(高V/div)下过度的ADC量化噪声
- 随机噪声
- 探头稳定时间、探头误差和畸变
- 削波波形上的过载恢复

图5. 通过信号处理算法融合削波参考波形(R4)与全量程波形(R1),生成经校正的VDS(on)派生波形(M1)――该波形在保留削波波形高分辨率特性的同时,利用全量程VDS数据完成幅值修正。
量化误差、稳定时间和过载恢复的影响如图5所示,过载/削剪的R4显示延长的振铃和达到实际电压值的恢复时间。未削剪的R1捕获了覆盖总线电压的完整VDS电压信号,但存在明显的量化问题。
使用信号调理推导低噪声VDS(on)
在典型的双脉冲测试(DPT)中,开关器件在第一个脉冲期间初始导通,允许通过负载电感的电流线性增加,直到达到所需的测试水平。然后器件关断,随后用第二个脉冲重新激活,以评估其在指定测试电流下的开关性能。RDS(on)在第二个脉冲期间测量。
VDS(on)的信号调理算法假设满足以下条件:
- 以突发方式执行两个导通周期,如双脉冲测试。使用第一个脉冲的信息增强第二个脉冲。第一和第二脉冲之间需要50?s间隙,使任何稳定误差对两个脉冲相同。探头和示波器通常具有约10?s的时间常数,因此50?s的稳定时间通常足够。
- 第一和第二脉冲宽度应至少为10?s,使算法可以忽略初始纹波,专注于实际的RDS(on)。
- 突发之间有足够的延迟,使DUT在多次双脉冲测试之间保持稳定。
- VDS削波波形的垂直刻度足够灵敏以提供足够分辨率,但也不至于过度灵敏导致信号代表性不足。
WBG-DPT应用的PRESET功能根据指定的VDS开关电压自动设置刻度。以下是动态RDS(on)测量算法中的高级步骤。
1.多组双脉冲测试的波形平均处理
为降低随机噪声对测量的影响,可执行多次双脉冲测试并对结果波形进行平均处理。WBG-DPT的RDS(on)测量功能支持此操作,默认每组测量进行8次波形平均。
2.全量程与削波VDS(on)信号段的融合

图6. 全量程波形(通道2)与削波波形(通道3)的融合处理
通过算法整合全量程VDS(on)段(高动态范围)与削波VDS(on)段(高分辨率),生成精确的导通电阻特性曲线。此校正通过使用未削剪的全量程信号生成低频偏移校正,保持削波样本中的高分辨率信息。结果是具有导通时间内增强垂直分辨率的复合VDS波形。导出的VDS表示导通区域,就好像时域波形是以较低垂直刻度采集的。
3.从导通2中减去导通1以消除稳定误差
在复合VDS波形中,VDS(off)和VDS(on)之间两个电压阶跃的任何稳定误差在两个脉冲的第一和第二脉冲中应几乎相同,因为两个脉冲的阶跃步进大致相同。这假定两次导通之间的时间足够长以使得测量系统在周期之间稳定。
因此,为了从导出的VDS中消除一致的稳定误差,从第二VDS(on)段的样本中减去第一VDS(on)段的样本。这既消除了稳定误差,也消除了两个脉冲共有的任何VDS(on)。第二脉冲中剩余的电压将是由于第二脉冲中流经RDS(on)的较高电流。从第二周期的Id中减去第一导通周期的Id,以得到流经RDS(on)的增量电流。
一旦知道来自第二关断周期的增量电压和电流,就使用欧姆定律计算RDS(on)的样本。这些样本被显示出来,并可用于确定测量值,如周期内的平均RDS(on)。注意由于上述信号处理,仅与第二关断周期相关的RDS(on)才是有效的并显示出来。

图7. 配置WBG-DPT双脉冲测试分析功能的5系列B MSO示波器正在进行动态RDS(on)测量
使用软件钳位技术执行动态RDS(on)测量
与任何动态RDS(on)测量方法一样,使用此新技术时必须谨慎操作。如上文所述,建议采用10μs的脉冲宽度和50μs的脉冲间隔。削波波形在垂直刻度上存在限制。该算法已通过泰克THDP系列高压差分探头的测试,但尚未使用其他探头进行验证。此方法不适用于测量低于10mΩ的动态RDS(on)。
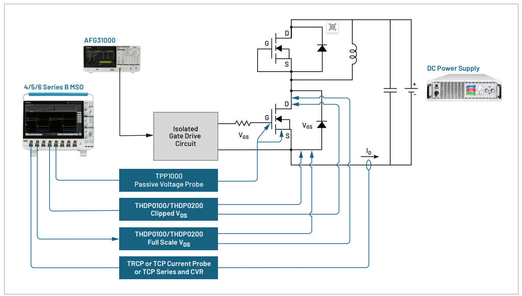
执行动态RDS(on)测量的测试设置如图8和图9所示。系统包括:
- 4、5或6系列B MSO示波器
- WBG-DPT双脉冲测试软件许可证
- THDP0100或THDP0200:各2个用于测量削波VDS和全量程VDS信号
- AFG31000系列函数发生器
- TRCP、TCP0030A或TCP0150或带TICP电流探头的CVR用于测量ID
- 用于低侧VGS的TPP1000
- 电源供应VDD
- 作为DUT的SiC或GaN测试板

图8. 低边FET动态RDS(on)测量测试配置示意图。需注意:两个高压差分探头分别连接在FET的漏极和源极端子。

图9. 实验室动态RDS(on)测试配置实景图
679