• 正文
  • 相关推荐
申请入驻 产业图谱

ACM8816 300W大功率单声道数字功放IC、国内首款氮化镓音频功率放大器

07/25 14:20
2418
加入交流群
扫码加入
获取工程师必备礼包
参与热点资讯讨论

D类音频功率放大器以其高效性得到广泛使用,主导了现代音频领域。然而也有其局限性,当前的D类音频系统虽然效率很高,但在性能上仍面临挑战。

传统的D类功放芯片功率管采用于硅基晶体管(特别是MOSFET)。它们在实现D类放大器所需的快速开关速度和低导通电阻方面存在困难。随着对更高频率和电压的需求增加,这些基于硅的设计会引入更多失真、更长的死区时间以及更高的功率损耗——所有这些因素都会降低放大器的整体音质和效率。

硅基MOSFET的关键局限性之一是其体二极管的恢复速度较慢,这导致开关波形中出现过量的振铃和过冲。这些效应不仅会降低音质,还会增加热输出。硅基MOSFET中的固有电容——例如输出电容(Coss)——进一步加剧了这一问题,迫使设计人员为了防止过量的电磁干扰而降低开关速度。

氮化镓是一种宽带隙半导体,与硅相比具有多项固有的技术优势,它重新定义了功率电子的可能性。与硅相比,GaN具有多种固有优势,这些优势直接解决了传统D类放大器的不足,解锁了新的性能水平。简单的说,氮化镓开关器件相较于硅基晶体管应用于D类音频功放中所带来的优势主要有三点:整体效率更高;失真指标有所提升;开关波形更加清晰。

深圳市永阜康科技有限公司现在大力推广国内首款氮化镓D类音频功放芯片-ACM8816,?集成了7mΩ?Rdson?GaN氮化镓,48V供电时,驱动到4Ω可以在10%THD+N内输出1×340W的功率,QFN-48贴片封装,不需要外接散热器辅助散热。

概述

ACM8816是一款集成GaN HEMT的器件,高效、高性能具有I2S数字输入的单声道D类音频放大器。外围应用电路只需要很少的无源元件,能在4.5V至50V宽输入电源工作。ACM8816集成7mΩRdson-GaN-HEMT,驱动到4Ω可以在10%THD+N内输出1×340W的功率,而不需要散热器。

ACM8816采用了一种新颖的PWM调制架构,在启动阶段调整PWM占空比,以避免启动异常。扩频技术提供较低的EMI辐射。

ACM8816内置的先进音效调谐功能提供了一种高度集成的解决方案。它允许以高度独立的操作打开/关闭每个模块,前后BQ可编程特定频段信号动态增强。此外,ACME专利的3+1频段DRC具有峰值和RMS检测功能,可实现灵活平坦的多频段控制。

ACM8816集成ClassH控制功能,为提高电池供电系统的效率和降低功耗提供了一种新方案。

ACM8816采用QFN-48(9.0mm× 9.0mm)封装。

ACM8816应用信息

1、ACM8816脚位定义图

2、ACM8816管脚说明

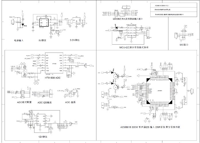
3、ACM8816 DEMO 应用示意图

4、ACM8816 DEMO板PCB顶层设计图

 

5、ACM8816 DEMO板PCB第二层设计图

6、ACM8816 DEMO板PCB第三层设计图

7、ACM8816 DEMO板PCB底层设计图

8、ACM8816 DEMO板贴片图

9、ACM8816?DEMO板物料清单

10、ACM8816 DEMO板实物图

相关推荐