• 方案介绍
  • 相关推荐
申请入驻 产业图谱

串口服务器静电浪涌测试,电路静电浪涌保护方案

09/14 15:46
666
加入交流群
扫码加入
获取工程师必备礼包
参与热点资讯讨论

测试产品:串口服务器

雷卯实验室温湿度:26度 , 61%;

目的:测试串口加上雷卯SMD1206P010TF、SMD4532-090、SM712、SMAJ36CA是否通过静电浪涌IEC61000-4-2标准及IEC61000-4-5 标准。

一.测试客户产品及要求指标如下:

静电测试 IEC61000-4-2测试标准
空气放电 ±15KV
接触放电 ±8KV
RS485浪涌测试8/20μs IEC61000-4-5测试标准
差模 ±6KV
共模 ±6KV

二、雷卯电路保护方案:

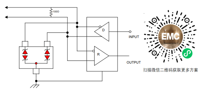
(1)100M网口防雷保护方案

型号 品牌 数量
LC05CI LEIDITECH 2pcs
SMD4532-090NF LEIDITECH 2pcs

(2)RS232静电保护方案

型号 品牌 数量
SMC24 LEIDITECH 1pcs

(3)RS485浪涌保护方案

型号 品牌 数量
SMD1206P010TF LEIDITECH 2pcs
SMD4532-090 LEIDITECH 2pcs
SM712 LEIDITECH 1pcs

(4)DC24V电源浪涌保护方案

型号 品牌 数量
SMAJ36CA LEIDITECH 1pcs

三、测试无线图传发射模块照片和数据记录:

IEC61000-4-2静电测试 空气放电±15KV 接触放电±8KV
产品性能 正常 正常
IEC61000-4-5浪涌测试RS485接口 共模±3KV 共模±4KV 共模±5KV 共模±6KV
产品性能 正常 正常 正常 正常
IEC61000-4-5浪涌测试RS485接口 差模±3KV 差模±4KV 差模±5KV 差模±6KV
产品性能 正常 正常 正常 正常

加上雷卯PESD0542U005器件,可通过静电IEC61000-4-2标准及群脉冲IEC61000-4-4 标准。

总结:

电子产品的接口防护需用过压保护器件,很多工程师意识到要用保护器件,但由于选型不当或没按照ESD电路PCB设计原则,造成产品静电测试或EMC测试不通过,产品多次验证测试,浪费人力财力,造成产品延迟上市的事情总有发生,或过度设计,造成成本压力。

雷卯电子专业为客户提供电磁兼容EMC的设计服务,提供实验室做摸底测试,从客户高效,控本方便完成设计,希望为更多的客户能快速通过EMC的项目,提高产品可靠性尽力。

雷卯电子电磁兼容实验室,提供免费测试,提供外围静电保护参考电路。雷卯测试设备供客户免费测试,欢迎随时联系胡工18016225001。

相关推荐

方案定制

去合作
方案开发定制化,2000+方案商即时响应!

雷卯电子是中国电磁兼容解决方案和元器件供应领导品牌。成立于2011年,品牌Leiditech,是国家高新技术企业。公司研发团队由留美博士和TI原开发经理组建,凭借技术精湛的研发队伍和经验丰富的电磁兼容行业专家,主要提供防静电TVS/ESD以及相关EMC元器件(放电管TSS/GDT、稳压管ZENER、压敏电阻MOV、整流二极管RECTIFIER、自恢复保险丝PPTC、场效应管MOSFET、电感)。