• 方案介绍
  • 附件下载
  • 相关推荐
申请入驻 产业图谱

16位原码乘法器设计Verilog代码Quartus AC101-EDA开发板

08/25 09:19
421
加入交流群
扫码加入
获取工程师必备礼包
参与热点资讯讨论

2-240913164253224.doc

共1个文件

名称:16位原码乘法器设计Verilog代码Quartus? AC101-EDA开发板

软件:Quartus

语言:Verilog

代码功能:

请基于FPGA(芯片可自选)设计一个16位原码乘法器(即输入信号都为16bits的数据),要求其利用简单的加法运算、逻辑运算移位运算实现乘法运算功能,且原码乘法器的输入由上位机通过串口提供,并将运算结果通过串口发送回上位机进行显示。

(1)完成电路功能仿真;

(2)完成原码乘法器的电路性能分析,包括系统主频、资源消耗电路功耗;

(3)完成电路时序仿真;

(4)完成电路的板级实现与验证。

FPGA代码Verilog/VHDL代码资源下载:www.hdlcode.com

本代码已在AC101-EDA开发板验证,AC101-EDA开发板如下,其他开发板可以修改管脚适配:

AC101-EDA开发板.png

演示视频:

设计文档:

1.工程文件

2.程序文件

3.程序编译

资源消耗

系统主频:50MHz

电路功耗:58.83mW

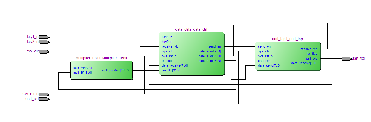
4.RTL图

5.管脚分配(约束)

6.仿真图

乘法器仿真

Testbench(仿真脚本)

仿真图

十六机制显示

十进制显示

串口收发仿真

Testbench(仿真脚本)

仿真图

数据处理模块仿真

Testbench(仿真脚本)

仿真图

十六进制显示

部分代码展示:

//booth算法原理
//假设乘数和被乘数均为?n?位,那么?Booth?算法的具体执行过程以下六个步骤:
//(1)?设置一个?2n+1?位的?p?空间,并将初始化为?0;
//(2)?将乘数填入?p[n:1]中;
//(3)?从?p?空间的最低位依次开始向左扫描,每次扫描两位,并判断所扫描的两位二进制数为何种情况;
//(4)?判断?p[2n]位,如果是逻辑?0?右移一位补?0,如果是逻辑?1?就右移一位补?1;
//(5)?重复步骤(3)?,循环?n?次;
//(6)?最终?p?空间的?p[2n:1]就是乘数和被乘数的乘积。
//32位乘法器
module?Multiplier_nbit(mult_A,?mult_B,?mult_product);
parameter?width=16;
input?[width-1:0]?mult_A;//输入乘数A
input?[width-1:0]?mult_B;//输入乘数B
output?[width+width-1:0]?mult_product;//乘积
reg?[width+width-1:0]?mult_product;
integer?Count;
reg?[width+width:0]?PA,right;//设置一个?2n+1?位的?p?空间
always?@?(mult_A?or?mult_B)
begin
PA[width+width:0]={16'b0,mult_A,1'b0};?//将乘数{mult_product,?mult_A,?1'b0}填入?p[n:1]中
for(Count=0;Count<width;Count=Count+1)//循环width次
begin
?case(PA[1:0])
2'b10:////-mult_B,右移一位(有符号数移位)
begin
?//PA=PA-mult_B?;
?PA[width+width:width+1]=PA[width+width:width+1]?-?mult_B[width-1:0];//PA=PA-mult_B?;
?right=(PA[width+width]==0)?{1'b0,PA[width+width:1]}:{1'b1,PA[width+width:1]};//判断?p[2n]位,如果是逻辑?0?右移一位补?0,如果是逻辑?1?就右移一位补?1
end
2'b01://+mult_B,右移一位(有符号数移位)
begin
?????//PA=PA+mult_B
PA[width+width:width+1]=PA[width+width:width+1]?+?mult_B[width-1:0];?//PA=PA+mult_B
right=(PA[width+width]==0)?{1'b0,PA[width+width:1]}:{1'b1,PA[width+width:1]};//判断?p[2n]位,如果是逻辑?0?右移一位补?0,如果是逻辑?1?就右移一位补?1
end
default://右移一位(有符号数移位)
right=(PA[width+width]==0)?{1'b0,PA[width+width:1]}:{1'b1,PA[width+width:1]};//判断?p[2n]位,如果是逻辑?0?右移一位补?0,如果是逻辑?1?就右移一位补?1
endcase
PA=right;
end
?mult_product[width+width-1:0]=PA[width+width:1];//最终?p?空间的?p[2n:1]就是乘数和被乘数的乘积
end
endmodule

点击链接获取代码文件:http://www.hdlcode.com/index.php?m=home&c=View&a=index&aid=1085

  • 2-240913164253224.doc
    下载

相关推荐