• 正文
  • 相关推荐
申请入驻 产业图谱

具有快前沿的10kV纳秒级脉冲电源研制

10/24 09:40
685
加入交流群
扫码加入
获取工程师必备礼包
参与热点资讯讨论

随着?SiC MOSFET?器件快速开关特性的发展,其在需要高速、灵活高压脉冲输出的电路系统中得到广泛应用。研究表明,SiC MOSFET?的导通时间主要受栅极驱动技术及其实现方式的影响,因此相关研究多聚焦于其栅极驱动方法优化。该研究通过对?SiC MOSFET?栅极驱动回路进行参数测试与优化设计,并将其应用于超快导通型?SiC MOSFET?器 件,以实现导通时间的显著缩减。为验证优化效果,研究团队设计并制备了栅极升压驱动器的优化原型进行实验测试。测试数据表明,经过优化的栅极驱动电压调节方法有效提升了器件性能,在?10 kV?电压等级与?50 A?电流条件下,脉冲电压上升沿时间可达?27 ns。

快速上升时间、纳秒级高压脉冲被广泛应用于工业和环境领域,例如臭氧的产生[1]、材料性质的改变[2]、处理生物细胞[3]、低温等离子体的产生[4]?等应用上。在这里,研究人员指出,短脉冲持续时间和快速上升时间能显著提高许多应用的效率[5]。传统高压脉冲源,如单线脉冲形成线[6]、Blumlein?脉冲源[7]、磁脉冲压缩[8]?和快速二极管开关[9],已广泛应用于高压脉冲产生领域,并在工程实践中形成了较为成熟的电路设计。这些拓扑结构能够提供高幅值、快速上升沿的脉冲波形,在特定应用场景下表现出优异的性能。然而,其脉冲幅度、持续时间和重复率的调控能力有限,且系统结构复杂、尺寸较大、响应速度受限,在高频率、可调波形和高效率要求较高的现代脉冲功率技术中面临一定局限性。为了突破这些限制,许多研究人员转向利用半导体开关开通速度快、抖动小的特点以构成串联/并联连接的脉冲源,例如固态?Marx?发生器[10-11] 或固态开关串联电路[12]。相较于固态开关串联电路,Marx?发生器体积较大,控制信号存在复杂的时序问题,导致系统的寄生电感增大,延缓了脉冲波形的上升速率[13],所以本文重点研究固态开关串联的方式以获得快速的脉冲波形前沿。对于快速开关,SiC MOSFET?是最佳选择。由于此类MOSFET?的开关速度直接受到驱动这些器件栅极的方法的影响[14],例如栅极驱动电压、驱动电阻、驱动信号上升速率、回路布局方式都与开关速度密切相关,本文研究调整上述参数,寻找适合快速开关应用的驱动技术。

1、脉冲前沿影响因素分析

对于固态开关串联电路,其负载脉冲前沿时间主要与开关自身特性与开关串联问题有关,如图?1?所示。

物理层面,脉冲前沿的形变与延迟主要由开关器件的内部特性及外部电路设计共同作用决定[15]。开关自身的载流子输运特性直接影响导通与关断的动态过程:半导体材料中载流子的迁移率决定了电荷在电场作用下的运动速度,若载流子输运效率低,则开关的导通与关断速度受限,导致脉冲的上升沿和下降沿时间延长。米勒效应则通过栅极与集电极间的寄生电容引入复杂的电荷耦合机制——当开关状态切换时,集电极电压的突变通过该电容反向注入栅极,形成额外的电荷转移路径,这一过程不仅需要驱动电路补充更多电荷以维持栅极电压稳定,还会显著增加开关的开启与关闭延迟,从而拖慢脉冲前沿的陡峭程度。栅极电荷?Qg?的物理意义则体现在其对栅极电容充放电时间的决定性作用:Qg?的数值直接对应开关器件导通所需的总电荷量,高?Qg?意味着栅极需要更长时间完成电荷积累或释放,这会拉长开关的导通/关断时间窗口,进一步钝化脉冲前沿的锐度。

在电路架构层面,串联开关的电压均分不均会引发局部电场畸变,导致部分开关因承受过高电压而过早导通或关断,这种非对称触发将破坏脉冲波形的整体一致性,表现为前沿的阶梯状畸变或时间轴上的错位延迟。开关同步性不足则会通过电路内部的瞬态电流竞争引入电压波动,不同步的开关动作可能形成短暂的电流环流或电压尖峰,削弱脉冲边缘的清晰度。驱动电路的设计则通过能量传递效率直接影响开关的动态性能:驱动电压不足时,栅极电场强度不足以快速吸引载流子,导致导通阈值跨越时间延长;而驱动信号上升速率的物理本质是电荷注入速率的体现,过低的速率会延长栅极电容的充放电时间,而过高的速率则可能因寄生电感的阻抗突增引发反向电动势,导致栅极电压过冲或振荡,这两种极端都会扭曲脉冲前沿的线性特征。此外,封装寄生电感和?PCB?走线的分布参数在高频工况下会通过电磁耦合效应形成延迟线结构,信号传播时的电磁波反射与趋肤效应会加剧波形失真,而长走线引入的额外电感则会与开关的结电容构成?LC?谐振网络,进一步在脉冲前沿叠加振铃噪声。这些物理机制的耦合作用最终共同决定了脉冲前沿的时域响应特性。

2、高压快前沿脉冲总体方案

在驱动特性的研究上,大量文献指出,固态开关的开通时间与驱动回路参数存在着直接联系[16],如驱动电压,驱动电阻、驱动回路杂散电感、驱动信号前沿速率等,文献?[17]?则引入了相对灵敏度参数,在此基础上进一步指出:相较于其他参数,驱动电压对脉冲上升时间的影响程度较大,即对前沿速率的提升应着重考虑这一因素,这也是后续设计中可调节驱动电压电路的主要原因。在另一方面,开关型号的选择对于前沿速率也具有较大的影响,文献?[18]?指出,T0247-4(4?引脚)将驱动侧的源端直接连接在芯片的位置,可以分离电源线中的电流和栅极驱动线中的电流,以减小栅源电压电感的影响,可充分发挥出?SiC MOSFET?本身的高速开关性能;文献?[19]?则从封装角度入手,利用了?SiC MOSFET?裸片,消除了封装过程中的键合引线所带来的寄生电感,进一步提高了开通速度。

对于多开关串联形成的高压回路而言,还需要考虑到驱动电路与主电路的隔离,各开关之间的驱动信号同步性与电压均衡问题。串联?SiC MOSFET?时,由于导通的?SiC MOSFET?存在管压降,所以各个串联?SiC MOSFET?的发射极电位不同,必须采取同步隔离的驱动方式。常见的隔离驱动方式有?3?种:光耦隔离驱动、光纤隔离驱动、磁隔离驱动。光耦的隔离电压仅有几千伏,对于高压脉冲电源来说是远远不够的。而且光耦驱动芯片和光纤驱动还需要隔离供电,不适合应用在串联?SiC MOSFET?的驱动中。光纤隔离驱动响应速度快,隔离电压高,但价格昂贵,考虑到成本和实用性,磁隔离驱动是最佳方案。

正如世界上没有两片完全相同的树叶一样,即便是同一厂商生产出来的同一型号的?SiC MOSFET,其器件总会存在或多或少的差异,必须采取行之有效的过电压保护措施,通常考虑静态均压和动态均压两个方面[20]。在静态均压上,现如今最有效的方法就是通过在每级?SiC MOSFET?漏源两端并联大电阻的方法实现静态均压;动态均压策略主要包括栅极侧主动策略和负载侧被动策略。栅极侧主动策略在开关的栅极加入额外的反馈电路,通过对器件负载侧电压的实时采样,反馈调节驱动电压、电流,以控制器件的开关瞬态行为,并配合相应的控制算法实现串联器件的电压均衡,然而,这类方法多数应用于?Si IGBT,当其应用于开关速度更快的?SiC MOSFET?时,电压采样及反馈控制等环节的响应速度就难以满足实际的控制需求,且采样电路控制电路也会增加系统体积,成本以及复杂性。负载被动均压策略是在开关器件漏源端并联器件的方式实现串联器件电压均衡,此种方法能够有效地限制电压的瞬时变化,从而保护设备免受浪涌电压的损害。考虑到后者有较快的响应速度,能够应对高速变化的电压波动,且电路的结构简单,本文采用后者作为?SiC MOSFET?串联的均压措施。

图 2 所示为高压固态开关整体的硬件电路结构图,由功率放大电路、磁隔离、自副边维持电路以及功率开关单元构成,接下来将会对每一部分电路进行详细分析。

2.1?功率放大电路

SiC MOSFET?的快速驱动受限于多个物理因素,其中栅极充放电速度和寄生电感效应是主要的影响因素。在高频开关条件下,SiC MOSFET?需要快速切换栅极电压以确保快速开关,而栅极电压的变化速度直接影响器件的开关效率。如果栅极电压的充放电速度不足,将导致器件开关不完全,造成较大的开关损耗,并影响整体性能。此外,寄生电感效应在高速开关中尤为显著,特别是线路中的寄生电感,在高频操作时会导致电流波形的畸变,增加电磁干扰,并可能引发电路振荡,从而影响系统稳定性。为了有效解决这些问题,本课题设计了一款可调节驱动电压的功率放大电路作为脉冲变压器的原边驱动,通过调节半桥桥臂的供电电压,可以实现对输出正负脉冲电压的改变,从而优化栅极驱动过程,减小栅极充放电时间,并优化回路布局,有效抑制由于寄生电感导致的电磁干扰和振荡问题,实现对?SiC MOSFET?的高效驱动,其原理与正负脉冲产生方式如图?3?所示:

正脉冲:半桥上管受触发信号开通后,上管电容沿图?3(b)中路径放电,给后级变压器原边正脉冲信号;此时下桥臂触发信号未到达,呈断路状态。

负脉冲:半桥下管受触发信号开通后,上管电容沿图?3(c)中路径放电,给后级变压器原边负脉冲信号;此时上桥臂触发信号未到达,呈断路状态。

由于半桥上管的开关其源极“浮地”,所以需要对上管驱动信号也作浮地处理才能正常驱动开关,目前对驱动信号的“浮地”的处理主要有隔离电源式驱动与半桥自举配置两种方式。

(1)隔离电源式驱动隔离电源式驱动是一种为半桥电路中的高侧开关管提供独立且隔离电源的驱动方法,它通过变压器或隔离式?DC-DC?转换器等方式生成一个与低端电路完全隔离的电源,并通过光耦或变压器耦合将控制信号传递到高压侧,从而确保高侧开关管的栅极驱动电压能够稳定地作用于其源极,不受电位变化的影响。

(2)外围自举电容驱动自举电容驱动是一种通过利用开关过程中的电压变化来为半桥电路中的高侧开关管提供驱动电压的方法,在低侧开关管导通时,连接在高侧开关管栅极和电源之间的自举电容通过二极管从电源充电,当低侧开关管关断、高侧开关管导通时,自举电容则为高侧开关管提供足够的栅极电压,使其正常工作。

为了比较二者驱动方式的性能差异,在相同的驱动电压与脉宽下,分别对自举电容式驱动电路与隔离电源式驱动电路做对比实验,其中,自举电容式驱动采用?2EDF9275?芯片,其驱动通道数为?2,输出电流为?4 A,驱动电流上升时间?6.5 ns,为该系列驱动电流最大、上升速率最快的芯片。而隔离电源式电路采用了?IXDN614?芯片,其驱动通道数为?1,输出电流为?14 A,驱动电流上升时间为?25 ns,两种芯片具体参数对比如表?1?所示。

外围自举电容驱动芯片具有?2?个驱动通道,所以在驱动半桥电路中,仅需要单一芯片即可完成对上下桥臂的控制,在布局时可充分优化线路,大幅度减小驱动电路的面积,降低由寄生线路电感带来的信号延迟损失,这种方法简单且成Qtotal??Vboot Qtotal?≈?Qgs?=?50?nC??Vboot本低,不需要额外的隔离电源,但由于电容提供的驱动电流有限,会存在下管开通速度较慢的问题。自举电容需要为高侧驱动提供足够的电荷以确保稳定驱动,过小的电容可能导致电压下降过快,无法可靠驱动高侧开关;过大的电容则会延长充电时间,从而可能导致充电电压不足,最终引发开关无法正常开通的问题。自举电容常用式(1)计算,其中 为电容器的电荷总量,?为开关导通时自举电容的最大电压降。半桥开关选用?MSS150A-1200,该款开关采用金属封装,极大程度上减少了由于键合引线所带来的寄生电感,开通速度极为迅速,查阅该开关数据手册得知, ,如果自举电容器在高端开关处于开启状态时,最大允许的电压降 为?1 V,那么自举电容Cboot应设置为?50 nF。

隔离电源式驱动电流较大,但由于驱动通道的限制,需要两个芯片才能完成对半桥电路的控制,还需考虑隔离电源的因素,这必然会增加电路的面积,使回路布局变得复杂;同时,由于上管源极的浮地性,还需选择合适的光耦芯片对控制信号进行隔离,但光耦芯片输出信号与控制信号相反,这需要加入三极管反相电路来使信号回归正向,如图?4?所示。鉴于三极管驱动的特性,在其基极加入加速电容提高三极管由截止到导通的转换速度,经过仿真模拟,在基极电阻?Rb?为?4.3 kΩ?情况下,加速电容在?400 pF?时,其输出信号前沿速率达到最快。


将两款驱动方式制作实物图,如图?5(a)所示,测试结果如图?5(b)所示。
从驱动信号对比结果可以看出,在驱动电压均为 25 V 下,隔离电源式驱动输出信号前沿为 34 ns,自举电容式驱动前沿为 80 ns,说明隔离电源式驱动相较于自举电容式驱动,即使该电路体积较大,回路布局复杂,线路寄生电感较多,但芯片能够提供更多的驱动电流给半桥上下两管,促使开关更加迅速的开通。考虑到本文设计指标使脉冲具有尽可能快的前沿,所以采取隔离电源式驱动电路。

2.2?串联磁环同步驱动

串联磁环本质是由多个共原边的变压器来隔离驱动副边的多个开关管,串联的公共原边保证了多路信号的同步性,原边的半桥驱动信号电压将平均分给各个磁环副边驱动各级?SiC MOSFET。驱动电路正常工作时原边驱动信号的幅值为各级?SiC MOSFET?驱动电压之和乘以变压器变比。假设驱动电压为?20 V,原副边匝数比为?1∶4,十级开关串联,那么原边开通信号电压幅值为?50 V。串联磁环隔离驱动,首先要考虑磁芯的选择与匝数问题[21],为了使驱动信号经过磁芯后上升速率尽可能快,这就要求磁环的漏感尽可能小,在工程上,常用式(2)来估算脉冲变压器漏感值[22]。

式中:??0为真空中的磁导率,?lm为平均每匝绕线的长度,?dm为各绕组厚度,?hm为原副边绕组的平均宽度,σr为原副边之间绝缘层距离,M?为漏磁势组数。为验证磁环副边信号上升速率与上述因素关系,设计了如下一系列实验。所选用的三款磁芯的型号如表?2?所示,分别是三种不同尺寸的纳米晶磁芯和锰锌铁氧体磁芯,实验中对照组信息如表?3?所示。

保持磁芯型号?CMC020012008H?不变,在驱动电压为?25 V、脉宽?500 ns?的情况下,观察改变磁芯匝数对磁环副边驱动信号的影响,第?1、2、3、4?组磁芯实验驱动波形如图?6?所示。

可以看出,当匝比为?1∶1?时,信号的前沿约为?73 ns;当匝比为?1∶2?时,信号的前沿约为?91 ns;当匝比为?2∶2?时,信号的前沿约为?95 ns;当匝比为?4∶4?时,信号的前沿约为?149 ns;可以发现,随着磁芯匝比的增加,信号的前后沿会变得缓慢,同时信号幅值会增加,这是由于匝比的增加会增大寄生电感,一方面会使输出信号过冲值增大,另一方面会限制栅极电流的变化速率,使得栅极电压的变化变得不够陡峭,从而延长了切换时间。

保持磁芯变比?1∶1?不变,只改变磁芯型号条件下,第?1、5、9?组磁芯实验的驱动波形如图?7?所示。

观察驱动信号上升前沿可以发现,在匝比为?1∶1、磁芯单匝电感量几乎相同的条件下,型号?CMC020012008H与型号?B64290L0632X035?磁芯驱动信号的前沿波形接近重合,约为?69 ns,而型号?CMC030020010H?磁芯前沿为?83 ns。可以发现在单匝电感量相近、匝比相同的情况下,磁芯材料对信号前沿的影响较小,而磁芯体积大小对前沿影响较大。这是由于磁芯体积增大时,通常会增加绕组之间的距离,这会导致漏感增加,因为更大的绕组距离意味着耦合磁场的有效路径变长,增加了漏感,驱动电流受到电感的抑制,从而延缓了电流的变化率,从而对前沿速度的减缓更明显。此外,观察驱动信号脉宽发现在驱动电压为?25 V?下,采用型号?CMC020012008H、CMC030020010H?磁环的脉宽可维持在?500 ns,而型号?B64290L0632X035?磁环脉宽至多维持在?270 ns,这是由于纳米晶具有较高的饱和磁感应强度磁通量较大,磁环不易饱和,所以在相同的环境下,采用纳米晶磁环能够将驱动信号输出波形维持较长的时间。

根据上述理论可以推测,进一步缩小磁环体积可能会加快副边驱动信号的上升速率。然而,需要注意的是,磁环体积不能无限缩小,因为体积越小,磁环越容易饱和,从而可能导致驱动信号失真。在本实验中,为了使驱动信号前沿尽可能地快,并最大限度维持磁环副边的脉冲宽度,本文采用?CMC020012008H?型磁环,原副边匝数比为1∶1?以作为同步隔离驱动。

2.3?自维持电路

由于磁环存在饱和特性,不能维持长时间的驱动信号,为了获取更大输出脉宽,仅需在磁环副边加入自维持电路即可,利用开关管门极电容电荷自维持原理可大大提高开关管的导通脉宽,图?8?为自维持电路中?4?个状态,接下来会详细分析自维持电路是如何工作的。

(1)正脉冲形成

如图?8(a)所示,当高电平触发信号到来时,蓝色虚线①导通?V2,同时?V1?关断。随后,红色虚线②将?Cs?充电至高电平电压。

(2)正脉冲维持

如图?8(b)所示,在磁环副边正脉冲信号消失后,进入死区时间,此时?V1?和?V2?均无触发信号而关断,Cs?上的电荷无法释放,开关栅源电压保持为正电平,后级开关管维持导通。

(3)负脉冲形成

如图?8(c)所示,当关断信号到达时,蓝色虚线③导通?V1,红色虚线④释放?Cs?的电荷并将其充电至负电压,同时?V2?关断。

(4)负脉冲维持

如图?8(d)所示,在磁环副边负脉冲信号消失后,进入死区时间,V1?和?V2?均关断,Cs?上的电荷无法释放,开关栅源电压保持为负电平,后级开关管维持关断。通过调整前级半桥上下管触发信号的时间间隔,可实现输出脉冲宽度的调制,实验波形如图?9?所示。

2.4?开关型号

文献?[23]?对多款?1.7 kV?电压等级?SiC MOSFET?器件的结电容和开通时间进行评估,结果表明型号为?C2M0045170P的?MOSFET?具有最佳的开关性能,综上开关器件选择?CREE公司型号为?C2M0045170P?的?SiC MOSFET,额定电压为?1700 V,额定电流为?75 A。

2.5?均压措施

负载被动侧均压措施是在串联功率开关器件漏源极两端加入缓冲电路或嵌位电路。通过缓冲电路图 10(a)、图 10(b)可以改变器件开关过程中的电压变化率和电流变化率,从而抑制其开关瞬间的电压过冲,防止器件因过压而损坏。电压箝位电路图 10(c)通过在开关漏源极并联齐纳二极管 (TVS) 来采集各串联功率开关器件两端的电压,当 TVS 的反向电压小于工作电压时,TVS 处于高阻态,基本可认为不导通;当 TVS 的反向电压大于击穿电压时,TVS 的阻抗开始迅速下降,并且 TVS 的反向电压将箝位在一定值保持不变,且该数值小于开关的额定电压值,通过这样的方法以起到保护开关的效果。? ? ? ? ? ? ? ? ? ? ? ? ? ? ? ? 图片来源:强激光与粒子束

在?PSpice?软件中,构建两开关串联而成的主电路,电源电压设置为?2 000 V,计划两开关稳态时各为?1 000 V。人为的设置?Q2?比?Q1?驱动信号延迟?7 ns?开通与关断,观测无均压措施下,RCD?措施,TVS?措施三种结果。图?11(a)是不加任何过电压保护措施下,Q1?与?Q2?漏源电压波形的仿真结果,从波形中可以看出,在无任何过电压防护措施下,可以看出关断时两开关管上的电压差稳态值可达到?367 V。图?11(b)是加入?RCD?保护措施下,Q1?与?Q2?漏源电压波形的仿真结果。在加入?RCD?均压措施后,两开关的电压差稳态值为?68 V,此种方法均压效果良好,开关管不承受过电压,但会大幅度减慢开关开通与关断速度,导致负载波形前后沿变缓。图?11(c)是加入TVS?保护措施下,Q1?与?Q2?漏源电压波形的仿真结果,采取?TVS?过电压保护措施之后,由于?TVS?管导通存在延迟时间,开关管将短暂的承受一定的过电压;当?TVS?导通后,将瞬态能量分流,并将电压钳位在其钳位电压(1000 V)附近,从而抑制过电压。从波形看出采取?TVS?均压措施后两开关管电压差由原来的?354 V?降低到?100 V,且此种方法对开关的开通与关断速度不会造成影响。将上述三种情况下的负载波形进行综合,如图?12?所示。

3、串联 SiC MOSFET 实验平台

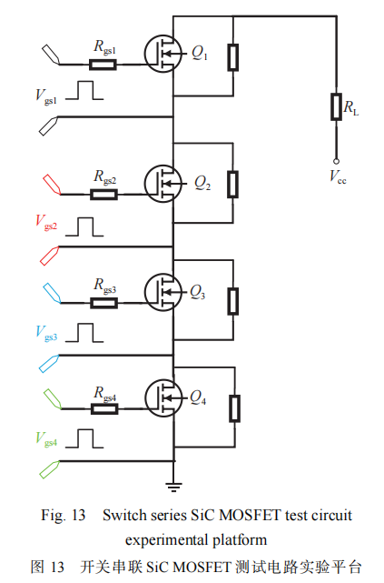
为了验证磁隔离驱动串联?SiC MOSFET?结构理论的正确性及电路方案可行性,搭建了?4?开关串联开关实验平台并开展了串联开关测试实验,各级开关布局布线相同,尽最大努力保证了开关的同步性一致,测试电路如图?13?所示。

由于驱动信号不同步会严重影响串联 SiC MOSFET 器件的开通一致性,从而在过早/过晚开通或关断的开关上产生过电压,严重时可导致高压固态开关模块损坏,因此先对 4 个串联 SiC MOSFET 器件的驱动同步性进行测试是很有必要的。利用实验室已有的差分电压探头,在有无外部直流电源两种条件下,分别测试 4 个 SiC MOSFET 开关的经触发信号而得到的栅源极电压,如图 14 所示。? ? ? ? ? 图片来源:强激光与粒子束

由测试结果图?14(a)可以看到,在不加入直流电源下,各串联?SiC MOSFET?器件驱动脉冲的上升沿约为?30 ns,下降沿为?23 ns,各驱动信号开通信号的时间差在?3 ns?以内,关断信号的时间差在?2 ns?以内,各器件驱动电压幅值最大差值为1.2 V,具有较好的同步性,且波形质量良好。测试结果图?14(b)展示了在外部直流电压?1 000 V?条件下对各驱动信号同步性的测试,结果表明其同样具有良好的同步性。

为了观测 4 个串联 SiC MOSFET 器件的均压性能,本文分别在电源电压为 2 kV 与 3 kV,负载为 100 Ω,脉宽 500 ns的条件下,对各级开关的导通和关断波形进行测试,分别为前四级、前三级、前两级和第一级,电压测量点取为该级开关的漏极引脚,测试波形如图 15 所示。

从实验结果可以看出,母线电压?2 kV?时,各级开关导通前后电压差保持在?50 V?以内,负载脉冲前沿?28 ns,后沿?32 ns;母线电压?3 kV?时,各级开关导通前后电压差保持在?75 V?以内,负载脉冲前沿?34 ns,后沿?38 ns。根据以上四组数据可以明显看出各级开关静态均压和动态电压平衡性能良好,即在串联?SiC MOSFET?器件中,无论是导通瞬态,还是关断瞬态,都能实现动态电压共享。

为了能够在后续脉冲功率发生装置研制中得到可靠应用,对磁隔离驱动串联 SiC MOSFET 功率模组在其额定电压在 2 kV 下进行了高重频实验和脉宽变换实验,如图 16(a)所示,实验串联 SiC MOSFET 功率模组可以稳定工作在 10 kHz 通断状态下;图 16(b)可表明,开关模块的脉宽在 500 ns~5 μs 调整中可靠运行。

4、高压脉冲发生器实验研究

高压脉冲发生器样机的主电路如图?17?所示,采用精细化布局的方式,将?10?个固态开关器件进行直线串联,驱动回路已极大程度上靠近开关已排除?PCB?引线上栅极回路电感对前沿的干扰。

在样机实验测试中,保持输出高压脉冲宽度为 300 ns,驱动电压设置为 20 V,负载电阻为 200 Ω,通过调整直流输入电压 1~10 kV,输出脉冲电压可以从 1 kV 至 10 kV,如图 18 所示。

为展现提高驱动电压对负载电压前沿性能的优化程度,保持电源电压为?10 kV,分别将驱动电压由?20 V?提高至?40 V,观察负载前沿的变化,如图?19?所示。

从图中可以看出,当驱动电压为?20 V?时,前沿时间为?54 ns;随着驱动电压的提高,波形前沿的上升速率也相应增加。当驱动电压提高到?40 V?时(超出数据手册的额定值),前沿时间缩短至?27 ns,性能相较初始状态提升了一倍。通过多次窄脉冲实验发现,将驱动电压提高至超出开关数据手册额定值的策略能够有效优化开关的开通性能,并且未造成开关损坏。这是因为在窄脉冲条件下,栅氧化层积累的热量不足以引发热击穿,从而使得开关能够在超额性能状态下稳定工作。

最后,将所研制的固态开关串联脉冲发生器与其它脉冲发生器进行了比较,如表 4 所示,本文中的脉冲发生器在相同的输出电压下具有更快的脉冲速度,从而有效的验证了优化方法的有效性和优越性。

5、结 论

本文基于?SiC MOSFET?串联拓扑,研制了?10 kV/50 A?纳秒级高压脉冲电源,针对脉冲前沿时间的物理限制机制,主要技术特点如下。

(1)栅极驱动系统的高动态优化

驱动架构选择:通过对比自举电容与隔离电源式驱动的动态特性(驱动电流?4 A?vs?14 A,上升时间?6.5 ns?vs?25 ns),揭示了驱动电流能力对开关速度的主导作用。采用双芯片隔离电源式驱动,通过提升驱动电流至?14 A,结合三极管反相电路及加速电容(400 pF?优化值),将半桥驱动信号前沿压缩至?34 ns,较自举方案提升?57%。超额定驱动电压策略:突破?SiC MOSFET?栅极电压额定值(25 V),将驱动电压提升至?40 V,通过窄脉冲模式(300 ns)下的电荷控制,使栅极电荷(Qg)充放电速率提升?60%,最终实现负载脉冲前沿时间从?54 ns?缩短至?27 ns,且未引发栅氧化层击穿风险。

(2)磁隔离同步驱动技术的多参数协同设计

磁环参数优化:基于漏感模型,筛选纳米晶磁芯并采用?1∶1?匝比,通过缩小磁环体积与降低绕组间距,将副边驱动信号前沿优化至?69 ns,较传统锰锌铁氧体方案(83 ns)提升?17%。

(3)串联均压与寄生参数综合抑制

TVS?动态均压技术:对比?RCD?缓冲电路与?TVS?箝位方案,采用?TVS?管实现串联开关动态均压(电压差≤100 V),避免引入附加电容对开关速度的影响,保障负载脉冲前沿时间小于等于?34 ns(3 kV?条件)。封装与布局优化:采用?TO247-4?封装?SiC MOSFET,通过源端直连设计分离功率与驱动回路,将栅源寄生电感降至?2 nH?以下;结合?PCB?微带线布局(线宽?1 mm,间距?0.5 mm),使驱动回路总电感<10 nH,进一步降低信号传输延迟。

(4)高压串联系统的时序一致性控制

开关同步控制:通过磁隔离驱动原边信号同步分配与栅极信号实时监测(时间差小于等于?3 ns),实现?3 kV?工况下各级开关漏源电压偏差小于?75 V,验证了多开关串联系统的高精度同步机制。实验结果表明,所提方案在?10 kV/50 A?条件下实现了?27 ns?的脉冲前沿时间,较同类固态?Marx?发生器(100 ns)提升?73%。本工作为高压快前沿脉冲电源的设计提供了关键技术路径,尤其在驱动电压超额策略、寄生参数协同抑制及串联均压控制方面具有普适性参考价值。

碳化硅MOSFETs与SiC模块产品概览

相关推荐