展会期间,ZYNALOG徴格半导体重点发布了全新模数转换芯片ZGAD5000Q16,并在数贸会“首发首秀”平台进行了产品发布,吸引众多行业嘉宾与专业观众驻足交流。
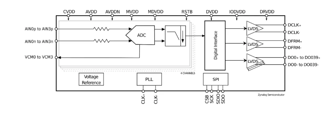
ZGAD5000Q16是一款是一款低噪声高速 4 通道模数转换器(ADC) 产品, 包含了 4 个 ΔΣ ADC 内核、内部时钟发生器和去抖动电路、抗混叠滤波器和宽带数字处理器;采样精度、带宽和输出数据频率均可调整,其丰富的灵活配置特别适用于数字存储示波器 (DSO) 应用。内置时钟发生器和去抖动电路, 外部参考时钟简化为 20MHz。每一路通道均可以在5Gsps?满采样率下工作, 真正实现 4 通道独立工作。LVDS数据接口可实现 50Gbps 的最大传输速度。
ZGAD5000Q16动态性能测试截图
上方截图为您直观展示了ZGAD5000Q16的实时性能。欲了解更多技术细节,欢迎关注徴格半导体B站官方号,我们将展示详细的实时性能测评视频。以下为ZGAD5000Q16的特性、应用方向及基本功能框架。
1、特性
? 4 通道ADC 和宽带数字处理器
– 可调的采样率,带宽和精度
– 可调带宽20MHz 至300MHz
– THD 可达83dBFS @Fin = 10MHz
– 输入参考时钟20MHz ±1%
– 灵活选择的电源关断模式
– SPI 串行控制接口
– 超低功耗: 全速工作时每通道不超过400mW
– 12mm x 12mm, 196-Ball BGA 封装
? ADC 特性
– 瞬间过载恢复电路
? 宽带数字处理器
– 可编程高精度增益: 1x, 2.5x, 5x, 10x, 20x
– 可选择的-3dB 数字带宽: 19.5MHz 到410MHz
– 可调整的数字输出速率: 1.22Msps 到5Gsps
– 可编程的采样精度:10bit 到 16bit
2、应用
? 手持示波器,台式示波器
? 振动、粒子、噪声检测仪
? 无损检测仪
ZGAD5000Q16基本功能框架
ZYNALOG徴格半导体首席运营官吴昊接受采访时表示,"在人工智能与物理世界深度融合的时代背景下,模拟信号链芯片作为连接数字世界与物理现实的关键桥梁,其战略地位日益重要。这款芯片的诞生,不仅证明了我们团队的技术实力,更彰显了中国半导体产业自主创新的决心和能力。”
立足此次展会带来的广泛认可,ZYNALOG徴格半导体未来将更聚焦于模拟信号链技术的创新与迭代。我们不仅会拓展产品线,更将深入理解客户在工业控制、医疗设备、高端仪器仪表等复杂应用场景中的痛点,致力于成为全球客户在模拟芯片领域值得信赖的合作伙伴。
阅读全文
790
